Curiosii for ever!
: Car repair manuals for everyone.
Home
>>
Mazda
>>
2000
>>
Millennium Edition V6-2.3L DOHC (Miller cycle)
>>
Repair and Diagnosis
>>
Specifications
>>
Mechanical Specifications
>>
Engine
>>
Cylinder Head Assembly
>>
System Specifications
>>
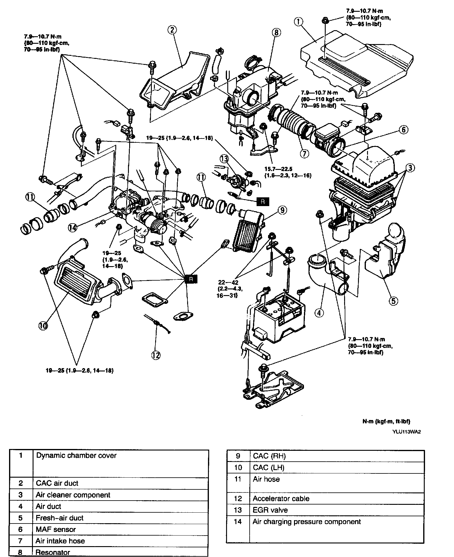
Intake Manifold
Intake Manifold
Intake-Air System
Part 1 of 2
Part 2 of 2