Curiosii for ever!
: Car repair manuals for everyone.
Home
>>
Mazda
>>
2000
>>
Millennium Edition V6-2.3L DOHC (Miller cycle)
>>
Repair and Diagnosis
>>
Powertrain Management
>>
Emission Control Systems
>>
Service and Repair
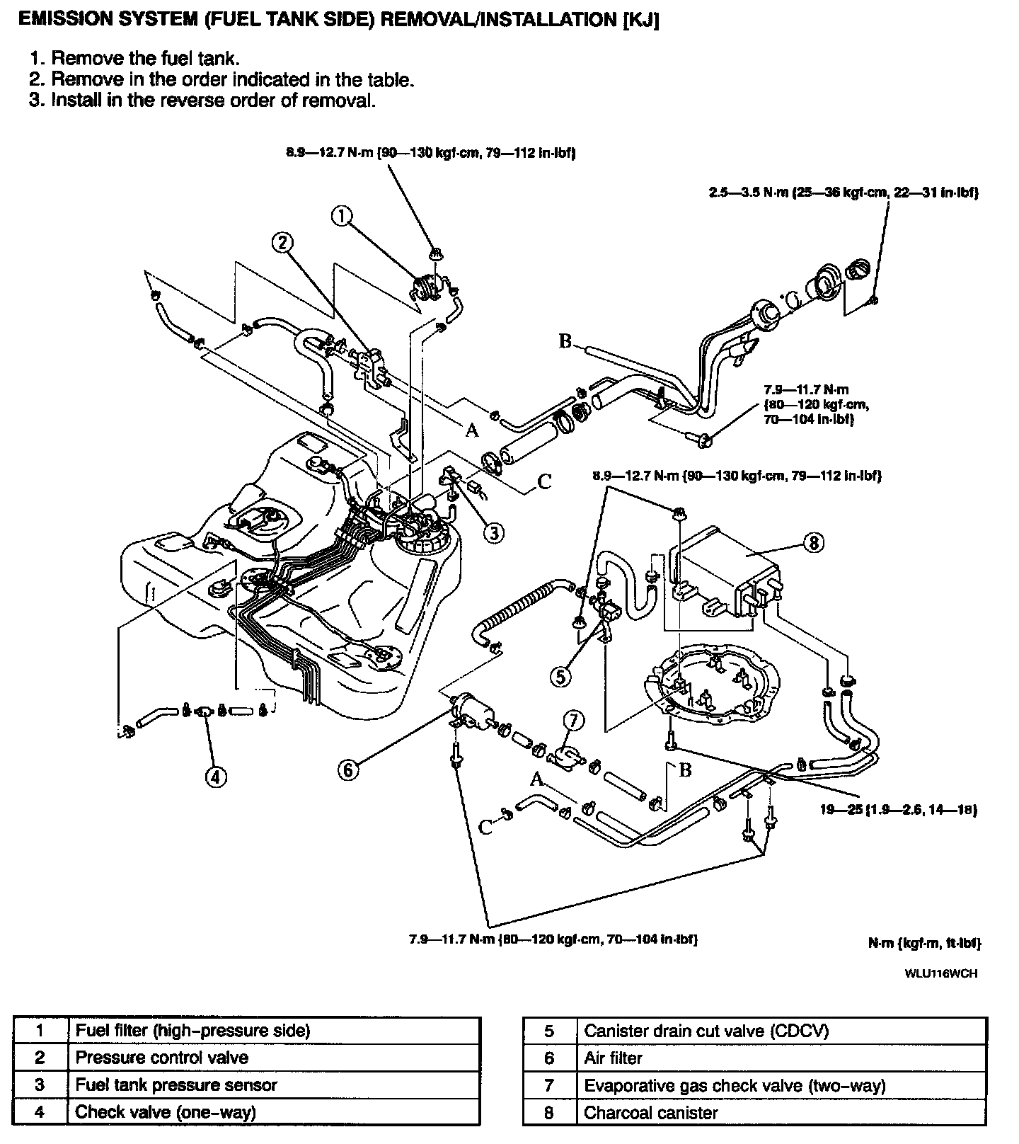
Emission Control Systems: Service and Repair
Emission System (Fuel Tank Side) Removal/Installation: