Curiosii for ever!: Car repair manuals for everyone.

Idle Up Control Valve: Service and Repair

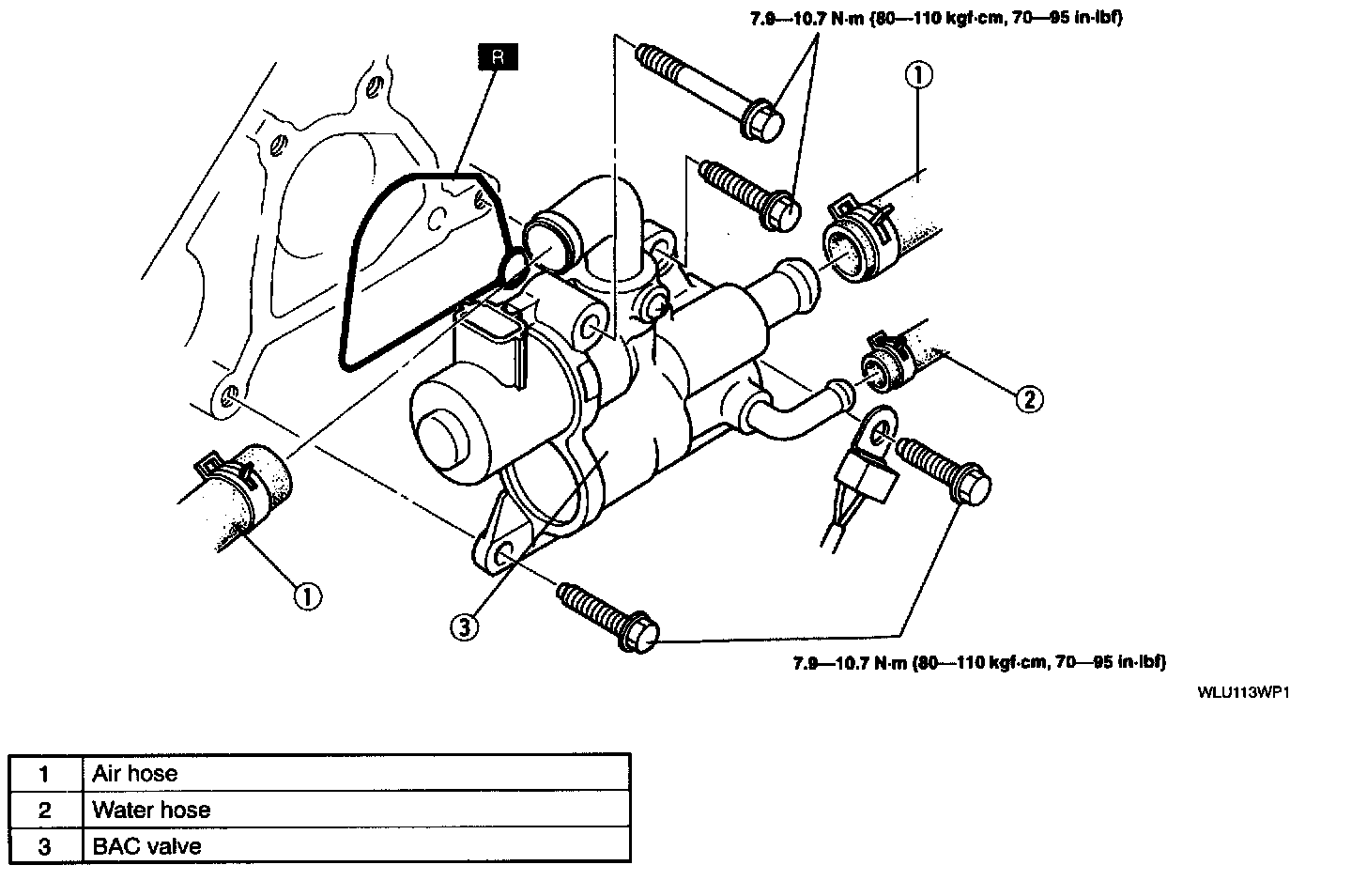
BAC VALVE REMOVAL/INSTALLATION [KJ]
1. Disconnect the negative battery cable.
2. Drain the coolant from the radiator.
3. Remove the CAC air duct.
4. Remove the resonance chamber.
5. Remove in the order indicated in the table.
6. Install in the reverse order of removal.





7. Refill the radiator with the specified engine coolant.