Curiosii for ever!: Car repair manuals for everyone.

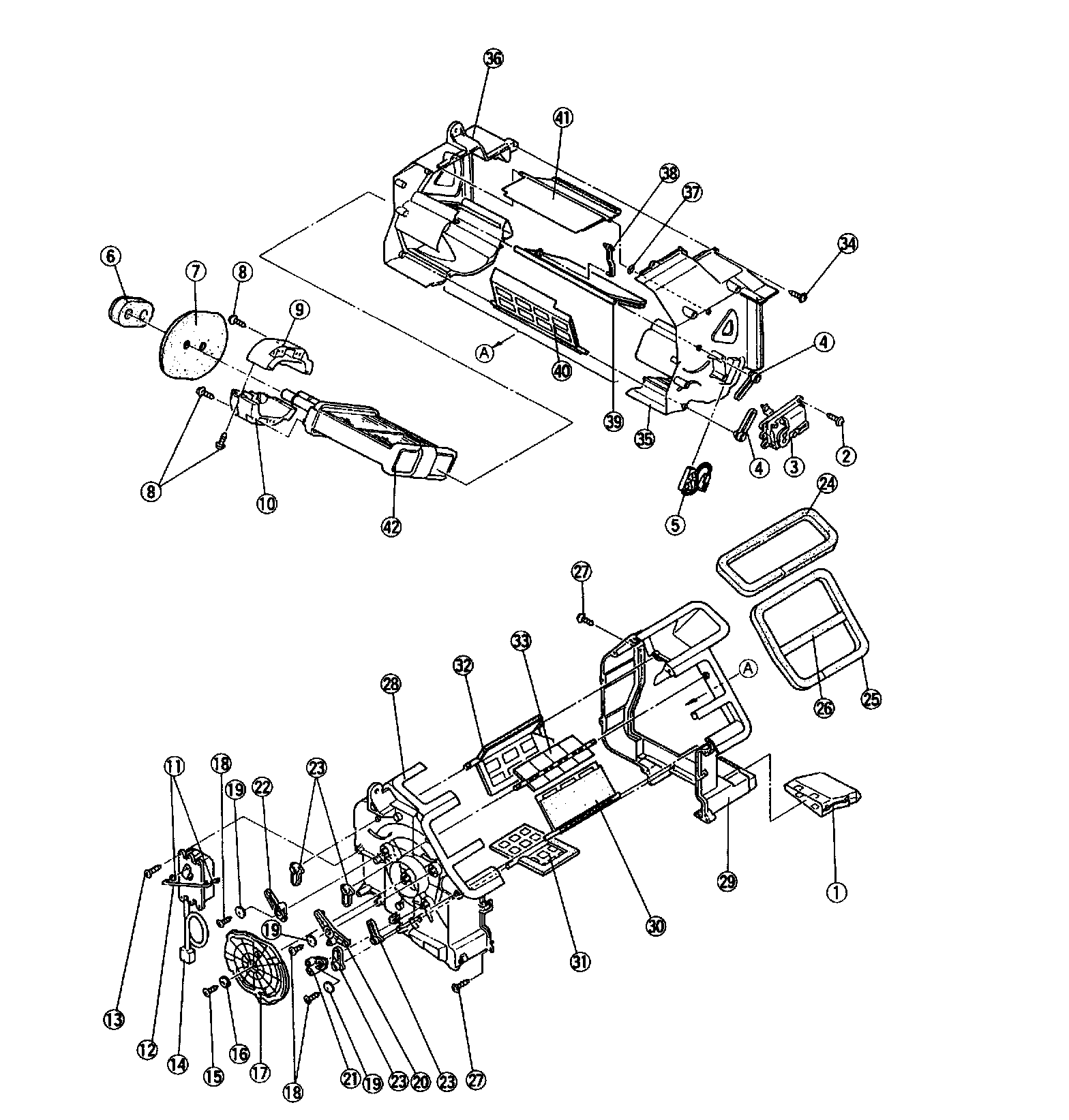
Disassembly/Assembly

1. Disassemble in the order indicated in the table.
2. Assemble in the reverse order of disassembly.

NOTE: Do not apply extra grease to the links.






1 Heat duct
2 Tapping screw
3 Air mix actuator
4 Air mix crank
5 Water temperature sensor
6 Polyurethane foam (thick)
7 Polyurethane foam (thin)
8 Tapping screw
9 Heater core bracket (1)
10 Heater core bracket (2)
11 Rod stopper
12 Airflow mode rod
13 Tapping screw
14 Airflow mode actuator
15 Tapping screw
16 Link collar
17 Airflow mode main link
18 Tapping screw
19 Link collar
20 Airflow mode sub link (VENT)
21 Airflow mode sub link (HEAT)
22 Airflow mode sub link (DEFROSTER)
23 Airflow mode crank
24 Polyurethane protector (DEFROSTER)
25 Polyurethane protector (VENT)
26 Polyurethane protector (SIDE VENT)
27 Tapping screw
28 Heater case (4)
29 Heater case (3)
30 Vent door
31 Heat door
32 Defroster door
33 Side vent door
34 Tapping screw
35 Heater case (1)
36 Heater case (2)
37 Collar
38 Air mix rod
39 Air mix main door
40 Air mix sub door
41 Air mix guide door
42 Heater core

Airflow Mode Main Link Assembly Note




1. Turn the projection of each airflow mode sub link outward.
2. Set the mark of the airflow mode main link to the rib of the heater unit as shown in the figure.
3. Press the airflow mode main link and rotate it in the direction of the arrow. Set the projections of each airflow mode sub link into the grooves of the airflow mode main link.
4. Rotate the airflow mode main link and verify that each mode is accessed properly.




5. Secure the airflow mode main link.