Curiosii for ever!: Car repair manuals for everyone.

Front Cross-Member: Service and Repair

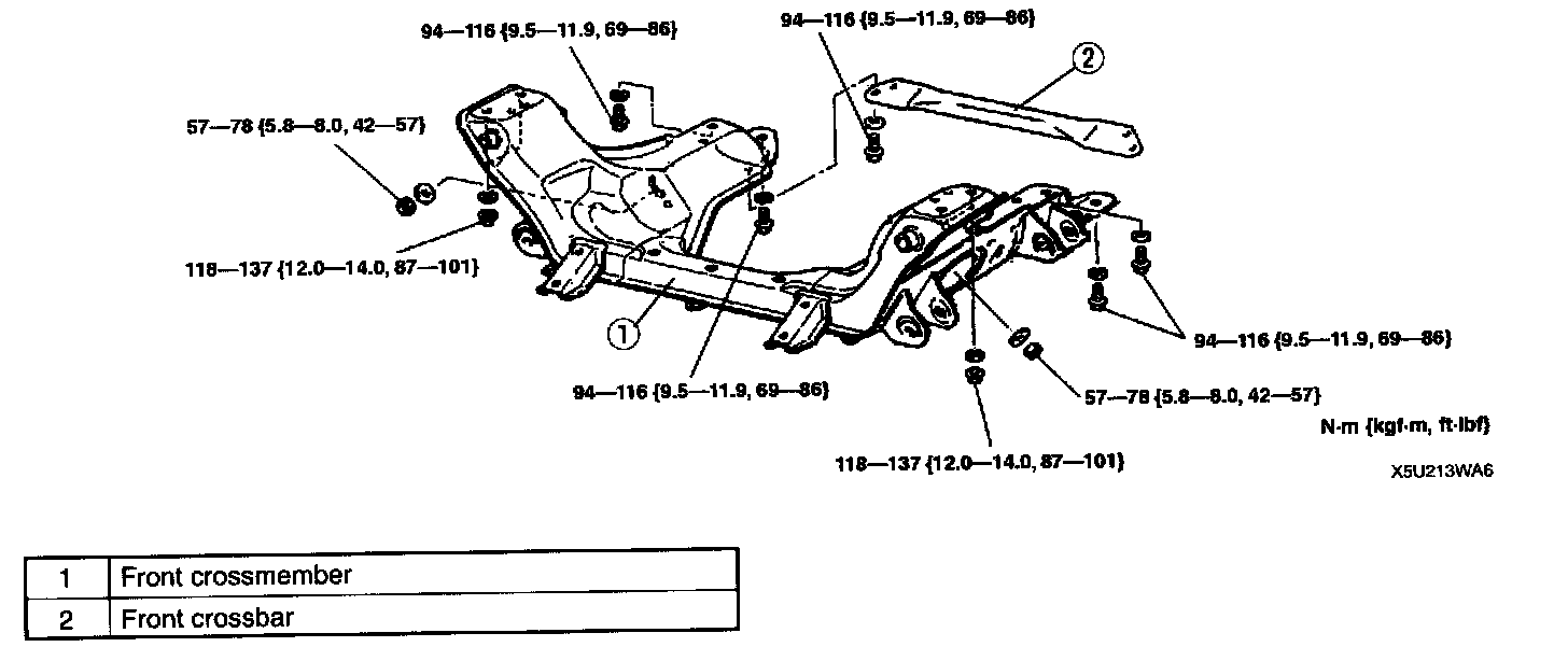
FRONT CROSSMEMBER REMOVAL/INSTALLATION

Caution Performing the following procedures without first removing the ABS wheel-speed sensor may possibly cause an open circuit in the harness if it is pulled by mistake. Before performing the following procedures, remove the ABS wheel-speed sensor (axle side) and fix it to an appropriate place where the sensor will not be pulled by mistake while servicing the vehicle.

1. Support the engine with a hoist or baby crane.
2. Remove the steering gear and linkage.
3. Remove the steering knuckles.
4. Remove the front stabilizer.
5. Remove the front lower arms.
6. Remove the front upper arms.





7. Remove in the order indicated in the table.
8. Install in the reverse order of removal.
9. Inspect the front wheel alignment.
^ If not as specified. adjust the front wheel alignment.