Curiosii for ever!
: Car repair manuals for everyone.
Home
>>
Mazda
>>
1999
>>
Protege LX L4-1.6L DOHC
>>
Repair and Diagnosis
>>
Diagrams
>>
Electrical Diagrams
>>
Powertrain Management
>>
System Diagram
>>
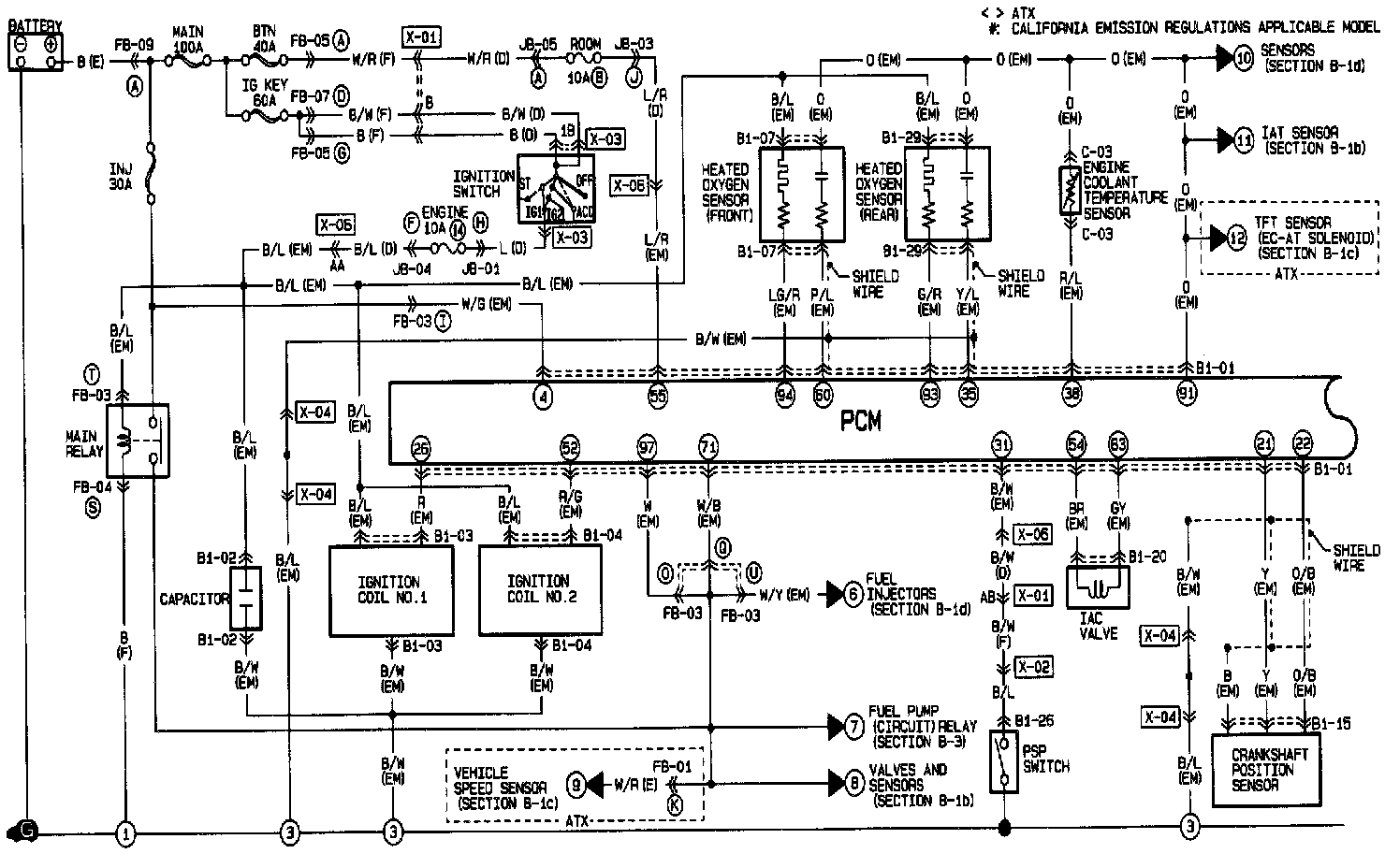
EC-AT Control System
EC-AT Control System
B-1A: