Curiosii for ever!
: Car repair manuals for everyone.
Home
>>
Mazda
>>
1999
>>
Protege ES L4-1839cc 1.8L DOHC
>>
Repair and Diagnosis
>>
Specifications
>>
Mechanical Specifications
>>
Engine
>>
Timing Components
>>
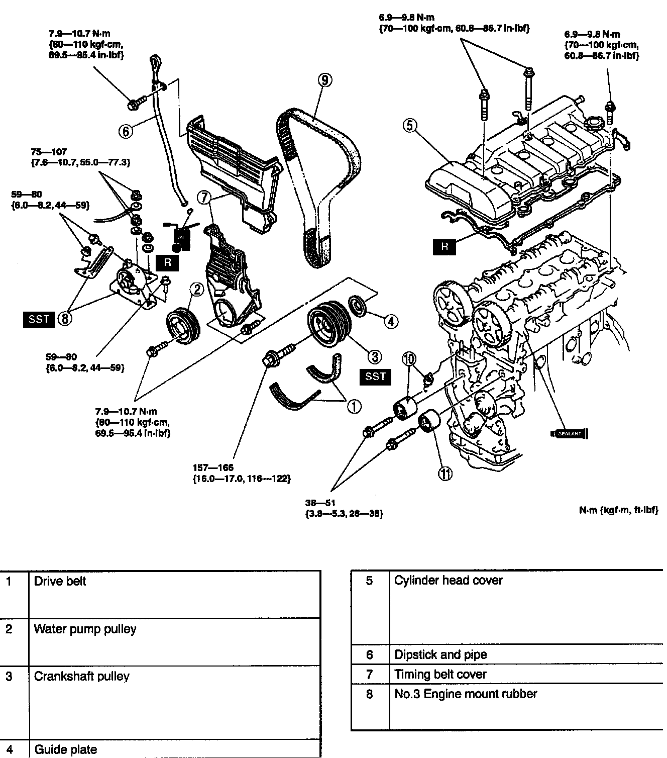
System Specifications
System Specifications