Curiosii for ever!
: Car repair manuals for everyone.
Home
>>
Mazda
>>
1999
>>
Protege ES L4-1839cc 1.8L DOHC
>>
Repair and Diagnosis
>>
Powertrain Management
>>
Emission Control Systems
>>
Evaporative Emissions System
>>
Service and Repair
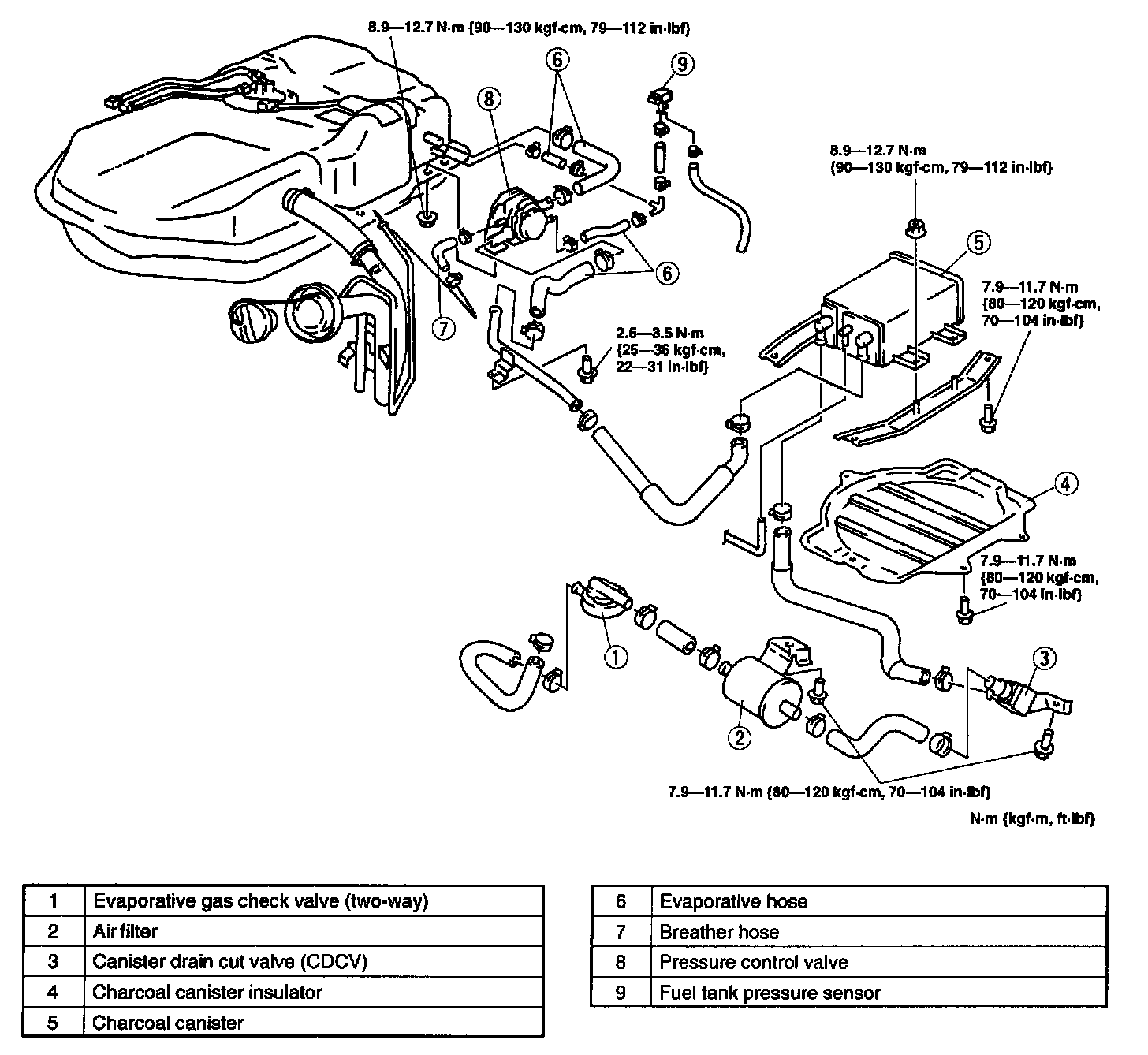
Evaporative Emissions System: Service and Repair
1.
Raise the rear of the vehicle and support it with safety stands.
2.
Remove in the order indicated in the table.
3.
Install in the reverse order of removal.