Curiosii for ever!
: Car repair manuals for everyone.
Home
>>
Mazda
>>
1999
>>
Protege ES L4-1839cc 1.8L DOHC
>>
Repair and Diagnosis
>>
Powertrain Management
>>
Diagrams
>>
Electrical Diagrams
>>
EC-AT Control System
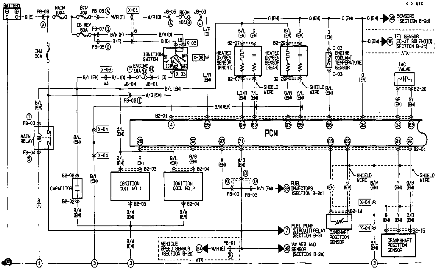
EC-AT Control System
B-2A: