Curiosii for ever!: Car repair manuals for everyone.

Input Signal System Diagnostic Procedures

Inspection Using an Oscilloscope (Reference)

PURPOSE




- By using an oscilloscope, inspection such as a stuck solenoid valve is made possible without actually removing parts.




1. When normal
- Counter electromotive voltage A, generated when the three-way solenoid valve or the fuel injector is turned off from on, shows irregular convergence because induced electromotive voltage B, generated by the plunger return operation, is added to it.




2. When plunger stuck
- When the plunger is stuck, pulse convergence is smooth because no induced electromotive voltage B is generated.

Input Signal System Investigation Procedure
1. Find an unusual signal.
2. Locate its source.
3. Repair or replace the defective part.
4. Confirm that the unusual signal has been erased.

Finding Unusual Signals
While referring to the diagnostic trouble code inspection section of the workshop manual, use the PID monitor to check the input signal system relating to the problem.
1. Turn the ignition to ON and idle the vehicle. You can assume that any signals that are out of specifications by a wide margin are unusual.
2. When recreating the problem, any sudden change in monitor input signals that is not consciously created by the driver can be judged as unusual.

Locating the Source of Unusual Signals

CAUTION:
- Compare the NGS monitor voltage with the measurement voltage using the NGS "DIGITAL MEASUREMENT SYSTEM" function. If you use another tester, misreading may occur.
- When measuring voltage, attach the tester ground to the GND of the PCM that is being tested, or to the engine itself. If this is not done, the measured voltage and actual voltage may differ.
- After connecting the pin to a waterproof coupler, confirming continuity and measuring the voltage, check the waterproof connector for cracks. If there are any, use sealant to fix them. Failure to do this may result in deterioration of the harness or terminal from water damage, leading to problems with the vehicle.




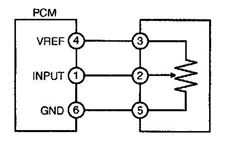
Variable Resistance Type 1 (Throttle Position, Boost and EGR Position Sensors)

1. Investigate the input signal system
1. When you get an unusual signal, measure the #1 PCM terminal voltage.
- If the #1 terminal voltage and the NGS monitor voltage are the same, proceed to the next step.

- If there is a difference of 0.5 V or more, check the following points concerning the PCM connector:
- Female terminal opening loose
- Coupler (pin holder) damage
- Pin discoloration (blackness)
- Harness/pin crimp is loose or disconnected

2. When you get an unusual signal, measure the #2 sensor terminal voltage.
- If there is a 0.5 V or more difference between the sensor and NGS voltages, check the harness for open or short circuits.

- If the sensor and NGS voltages are the same, check the following points concerning the sensor connector. If there are no problems, proceed to step 2 below.
- Female terminal opening loose
- Coupler (pin holder) damage
- Pin discoloration (blackness)
- Harness/pin crimp is loose or disconnected

2. Investigate the standard power supply system
1. Confirm that the #3 terminal is at 5 V.

- If the measured voltage on the #3 terminal is 5 V, inspect the following points on the sensor connector. If there is no problem, proceed to next investigation below.
- Female terminal opening loose
- Coupler (pin holder) damage
- Pin discoloration (blackness)

- If the #3 terminal measures other than 5 V, inspect the following points:
- Open or short circuit in harness
- Harness/pin crimp is loose or disconnected

3. Investigate the GND system
1. Confirm that terminal sensor #5 is at 0 V.
- If it is at 0 V, proceed to Step 4.

- If not, check the following points:
- Open or short circuit in harness
- Female terminal opening loose
- Coupler (pin holder) damage
- Pin discoloration (blackness)
- Harness/pin crimp is loose or disconnected

4. Inspect the sensor, referring to the workshop manual. If necessary, replace the sensor.




Thermistor Type (Engine Coolant Temperature, Intake Air Temperature and Transaxle Fluid Temperature Sensors)

1. Investigate the Input Signal System

1. When you get an unusual signal, measure the #1 PCM terminal voltage.
- If the #1 terminal voltage and the NGS monitor voltage are the same, proceed to the next step.

- If there is a difference of 0.5 V or more, check the following points concerning the PCM connector:
- Female terminal opening loose.
- Coupler (pin holder) damage.
- Pin discoloration (blackness).
- Harness/pin crimp is loose or disconnected.

2. When you get an unusual signal, measure the #2 sensor terminal voltage.
- If there is a 0.5 V or more difference between the sensor and NGS voltages, check the harness for open or short circuits.

- If the sensor and NGS voltages are the same, check the following points concerning the sensor connector. If there are no problems, proceed to Step 2 below.
- Female terminal opening loose.
- Coupler (pin holder) damage.
- Pin discoloration (blackness).
- Harness/pin crimp is loose or disconnected.

2. Investigate the GND System

1. Confirm that sensor #3 is at 0 V.
- If it is at 0 V, proceed to Step 3.

- If it is not at 0 V, check the following points:
- Open circuit in harness.
- Female terminal opening loose.
- Coupler (pin holder) damage.
- Pin discoloration (blackness).
- Harness/pin crimp is loose or disconnected.

3. Inspect the sensor according to the workshop manual. If necessary, replace the sensor.




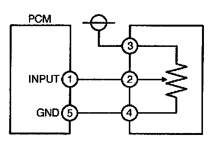
Variable Resistance Type 2 (Mass Airflow Sensor)

1. Investigate the Input Signal System

1. When you get an unusual signal, measure the #1 PCM terminal voltage.
- If the #1 terminal voltage and the NGS monitor voltage are the same, proceed to the next step.

- If there is a difference of 0.5 V or more, check the following points concerning the PCM connector:
- Female terminal opening loose.
- Coupler (pin holder) damage.
- Pin discoloration (blackness).
- Harness/pin crimp is loose or disconnected.

2. When you get an unusual signal, measure the #2 sensor terminal voltage.
- If there is a 0.5 V or more difference between the sensor and NGS voltages, check the harness for open or short circuits.

- If the sensor and NGS voltages are the same, check the following points concerning the sensor connector. If there are no problems, proceed to Step 2 below.
- Female terminal opening loose.
- Coupler (pin holder) damage.
- Pin discoloration (blackness).
- Harness/pin crimp is loose or disconnected.

2. Investigate the Electrical Supply System
1. Confirm that the sensor #3 terminal is B +.

- If the measured voltage on the #3 terminal is B +, check the following points on the sensor connector. If there is no problem, proceed to Step 3 below.
- Female terminal opening loose.
- Coupler (pin holder) damage.
- Pin discoloration (blackness).

- If the #3 terminal measures other than B +, check the following points:
- Short or open circuit in harness.
- Harness/pin crimps is loose or disconnected.

3. Investigate the GND System
1. Confirm that terminal sensor #4 is at 0 V.
- If it is at 0 V, proceed to Step 4.

- If not, check the following points:
- Harness disconnection.
- Female terminal opening loose.
- Coupler (pin holder) damage.
- Pin discoloration (blackness).
- Harness/pin crimp is loose or disconnected.




Switch Type (Closed Throttle Position, Transaxle Range and HOLD Switches)

1. Measure the PCM #1 terminal voltage and confirm that it is 0 V when the switch is on and B + when the switch is off.
- If the #1 terminal voltage and the NGS monitor voltage are the same, proceed to the next step.

- If there is a difference of 0.5 V or more, check the following points concerning the PCM connector:
- Female terminal opening loose
- Coupler (pin holder) damage
- Pin discoloration (blackness)
- Harness/pin crimp is loose or disconnected

2. When the switch is off, measure the #2 sensor terminal voltage.
- If there is a 0.5 V or more difference between the sensor and NGS voltages, check the harness for open or short circuits.

- If the sensor and NGS voltages are the same, check the following points concerning the sensor connector. If there are no problems, proceed to the next step.
- Female terminal opening loose
- Coupler (pin holder) damage
- Pin discoloration (blackness)
- Harness/pin crimp is loose or disconnected

3. Confirm that the #3 terminal switch voltage is at 0 V.
- If it is at 0 V, proceed to the next step.

- If not, check the following points relating to the switch connector:
- Open circuit in harness
- Female terminal opening loose
- Coupler (pin holder) damage
- Pin discoloration (blackness)
- Harness/pin crimp is loose or disconnected.

4. Inspect the switch, referring to the workshop manual. If necessary, replace the switch.