Curiosii for ever!: Car repair manuals for everyone.

Input Signal System Diagnostic Procedure

Input Signal System Investigation Procedure

1. Find an unusual signal (Refer to procedures below).
2. Locate its source (Refer to procedures below).
3. Repair or replace the defective part.
4. Confirm that the unusual signal has been erased.

Finding Unusual Signals
While referring to the diagnostic trouble code inspection part of the on-board diagnostic system, use the PID monitor to check the input signal system relating to the problem.
1. Turn the ignition to ON and idle the vehicle. You can assume that any signals that are out of specifications by a wide margin are unusual.
2. When recreating the problem, any sudden change in monitor input signals that is not consciously created by the driver can be judged as unusual.

Locating the Source of Unusual Signals

CAUTION:
- Compare the NGS monitor voltage with the measurement voltage using the NGS "DIGITAL MEASUREMENT SYSTEM" function. If you use another tester, misreading may occur.
- When measuring voltage, attach the tester ground to the GND of the PCM that is being tested, or to the engine itself. If this is not done, the measured voltage and actual voltage may differ.
- After connecting the pin to a waterproof coupler, confirming continuity and measuring the voltage, check the waterproof connector for cracks. If there are any, use sealant to fix them. Failure to do this may result in deterioration of the harness or terminal from water damage, leading to problems with the vehicle.




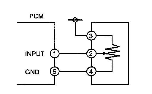
Variable Resistance Type 1 (Throttle Position, Fuel Tank Pressure and Barometric Absolute Pressure Sensors)

Investigate the input signal system
1. When you get an unusual signal, measure the #1 PCM terminal voltage.
1. If the #1 terminal voltage and the NGS monitor voltage are the same, proceed to the next step.
2. If there is a difference of 0.5 V or more, inspect the following points concerning the PCM connector:
- Female terminal opening loose
- Coupler (pin holder) damage
- Pin discoloration (blackness)
- Harness/pin clamp is loose or disconnected
2. When you get an unusual signal, measure the #2 sensor terminal voltage.
1. If there is a 0.5 V or more difference between the sensor and NGS voltages, inspect the harness for open or short circuits.
2. If the sensor and NGS voltages are the same, inspect the following points concerning the sensor connector. If there are no problems, proceed to next investigation below.
- Female terminal opening loose
- Coupler (pin holder) damage
- Pin discoloration (blackness)
- Harness/pin clamp is loose or disconnected

Investigate the standard power supply system
1. Confirm that the #3 terminal is at 5 V.
1. If the measured voltage on the #3 terminal is 5 V, inspect the following points on the sensor connector. If there is no problem, proceed to next investigation below.
- Female terminal opening loose
- Coupler (pin holder) damage
- Pin discoloration (blackness)
2. If the #3 terminal measures other than 5 V, inspect the following points:
- Open or short circuit in harness
- Harness/pin clamp is loose or disconnected

Investigate the GND system
1. Confirm that terminal sensor #5 is at 0 V.
1. If it is at 0 V, inspect the sensor. If necessary, replace the sensor.
2. If not, inspect the following points:
- Open or short circuit in harness
- Female terminal opening loose
- Coupler (pin holder) damage
- Pin discoloration (blackness)
- Harness/pin clamp is loose or disconnected




Variable Resistance Type 2 (Fuel Tank Level and Mass Airflow Sensors)

Investigate the input signal system
1. When you get an unusual signal, measure the #1 PCM terminal voltage.
1. If the #1 terminal voltage and the NGS monitor voltage are the same, proceed to the next step.
2. If there is a difference of 0.5 V or more, inspect the following points concerning the PCM connector:
- Female terminal opening loose
- Coupler (pin holder) damage
- Pin discoloration (blackness)
- Harness/pin clamp is loose or disconnected
2. When you get an unusual signal, measure the #2 sensor terminal voltage.
1. If there is a 0.5 V or more difference between the sensor and NGS voltages, inspect the harness for open or short circuits.
2. If the sensor and NGS voltages are the same, inspect the following points concerning the sensor connector. If there are no problems, proceed to next investigation below.
- Female terminal opening loose
- Coupler (pin holder) damage
- Pin discoloration (blackness)
- Harness/pin clamp is loose or disconnected

Investigate the electrical supply system
1. Confirm that the sensor #3 terminal is B+.
1. If the measured voltage on the #3 terminal is B+, inspect the following points on the sensor connector. If there is no problem, proceed to next investigation below.
- Female terminal opening loose
- Coupler (pin holder) damage
- Pin discoloration (blackness)
2. If the #3 terminal measures other than B+, inspect the following points:
- Open or short circuit in harness
- Harness/pin clamp is loose or disconnected

Investigate the GND system
1. Confirm that terminal sensor #4 is at 0 V.
1. If it is at 0 V, inspect the sensor. If necessary, replace the sensor.
2. If not at, 0 V, inspect the following points:
- Open circuit in harness
- Female terminal opening loose
- Coupler (pin holder) damage
- Pin discoloration (blackness)
- Harness/pin clamp is lose or disconnected




Thermistor Type (Intake Air Temperature and Engine Coolant Temperature Sensors)

Investigate the input signal system
1. When you get an unusual signal, measure the #1 PCM terminal voltage.
1. If the #1 terminal voltage and the NGS monitor voltage are the same, proceed to the next step.
2. If there is a difference of 0.5 V or more, check the following points concerning the PCM connector:
- Female terminal opening loose
- Coupler (pin holder) damage
- Pin discoloration (blackness)
- Harness/pin clamp is loose or disconnected
2. When you get an unusual signal, measure the #2 sensor terminal voltage.
1. If there is a 0.5 V or more difference between the sensor and NGS voltages, inspect the harness for open or short circuits.
2. If the sensor and NGS voltages are the same, inspect the following points concerning the sensor connector. If there are no problems, proceed to next investigation below.
- Female terminal opening loose
- Coupler (pin holder) damage
- Pin discoloration (blackness)
- Harness/pin clamp is loose or disconnected

Investigate the GND system
1. Confirm that terminal sensor #3 is at 0 V.
1. If it is at 0 V, inspect the sensor. If necessary, replace the sensor.
2. If not, inspect the following points:
- Open or short circuit in harness
- Female terminal opening loose
- Coupler (pin holder) damage
- Pin discoloration (blackness)
- Harness/pin clamp is loose or disconnected

Vehicle Speed Sensor




1. Measure the #1 PCM terminal voltage and confirm that it is at 0 V or 5 V when the ignition switch is at ON and the engine at idle.
1. If it is at 0 V or 5 V, proceed to "Intermittent Diagnostic Test".
2. If not, inspect the following points concerning the PCM connector. If there is no problems, proceed to next step.
- Female terminal opening loose
- Coupler (pin holder) damage
- Pin discoloration (blackness)
- Harness/pin clamp is loose or disconnected
2. Measure the #2 sensor terminal voltage and confirm that it is at 0 V or 5 V when the ignition switch is at ON and the engine at idle.
1. If it is at 0 V or 5 V, proceed to "Intermittent Diagnostic Test".
2. If not, inspect the following points concerning the sensor connector: If there are no problems, proceed to next step.
- Female terminal opening loose
- Coupler (pin holder) damage
- Pin discoloration (blackness)
- Harness/pin clamp is loose or disconnected
3. Confirm that the #3 terminal switch voltage is at 0 V.
1. If it is at 0 V, inspect the sensor. If necessary, replace the sensor.
2. If not at 0 V, inspect the following points:
- Open circuit in harness
- Female terminal opening loose
- Coupler (pin holder) damage
- Pin discoloration (blackness)
- Harness/pin clamp is loose or disconnected.




Inspection Using an Oscilloscope (Reference) Purpose
By using an oscilloscope, inspection such as a stuck solenoid valve is made possible without actually removing pants.




When normal
Counter electromotive voltage A, generated when the three-way solenoid valve or the fuel injector is turned oft from on, shows irregular convergence because induced electromotive voltage B, generated by the plunger return operation, is added to it.




When plunger stuck
When the plunger is stuck, pulse convergence is smooth because no induced electromotive voltage B is generated.

Fuel Tank Pressure, Graph Recording Procedure




1. After setting up the NGS tester for current vehicle, select "DIAGNOSTIC DATA LINK" and press the TRIGGER.




2. Select, "PCM - POWERTRAIN CONTROL MODULE" and press the TRIGGER.




3. Select "PID/DATA MONITOR AND RECORD" and press the TRIGGER.




4. Press Number 5 under CLEAR to clear previously selected PIDs.

NOTE:
- PID screen will vary with different models.




5. Turn the menu dial clockwise or counterclockwise to highlight CDCV and select by pressing the TRIGGER.




6. Turn the menu dial clockwise or counterclockwise to highlight FTP and select by pressing the TRIGGER.




7. PUSH Number 7 under START to view PIDs.




8. When you begin the drive mode PRESS TRIGGER to capture the data refer to the DRIVE MODE PROCEDURE.

NOTE:
- Watch the CDCV PID. When the evaporative system is tested the display will change from OFF to ON. And when the test is complete the display will change back to OFF.

9. When the monitor changes back to OFF wait a few seconds and press the TRIGGER to save the recorded information.




10. Select VIEW RECORDING then press the TRIGGER.




11. Select both PIDs by highlighting and pressing the TRIGGER.




12. Press the number key under GRAPH.

NOTE:
- It will be necessary to press Number 8 key to advance the graph to the point where the CDCV is turned on.