Curiosii for ever!: Car repair manuals for everyone.

With FS 2.0L Engine

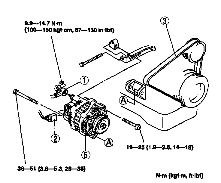
GENERATOR REMOVAL/INSTALLATION (FS 2.OL 4CYL)

WARNING: When the battery cables are connected, touching the vehicle body with generator terminal B will generate sparks. This can cause personal Injury, fire, and damage to the electrical components. Always disconnect the battery before performing the following operation.







1. Disconnect the negative battery cable.
2. Remove the transverse member.
3. Remove the front pipe.
4. Remove in the order indicated in the table.
5. Install in the reverse order of removal.
6. Verify the drive belt deflection/tension.

A/C Compressor Removal Note
Remove the A/C compressor with the pipe still connected. Position the A/C compressor so that it is out of the way.