Curiosii for ever!
: Car repair manuals for everyone.
Home
>>
Mazda
>>
1998
>>
Protege DX L4-1489cc 1.5L DOHC MFI
>>
Repair and Diagnosis
>>
Powertrain Management
>>
Computers and Control Systems
>>
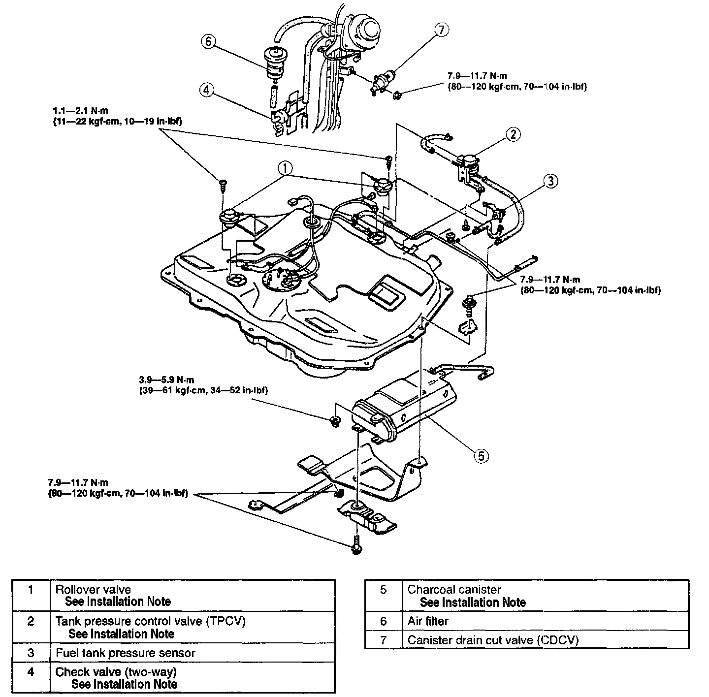
Fuel Tank Pressure Sensor
>>
Service and Repair
Fuel Tank Pressure Sensor: Service and Repair