Curiosii for ever!
: Car repair manuals for everyone.
Home
>>
Mazda
>>
1998
>>
626 LX L4-2.0L DOHC
>>
Repair and Diagnosis
>>
Diagrams
>>
Exploded Views
>>
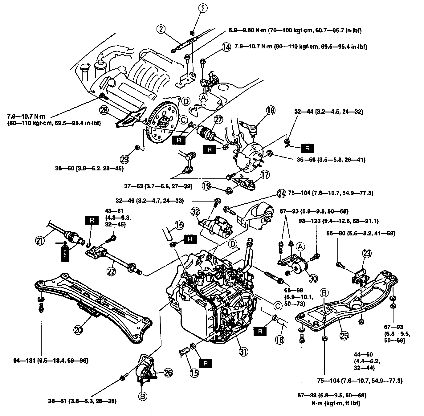
Transmission Mount, A/T
Transmission Mount, A/T
LA4A-EL TRANSMISSION
GF4A-EL TRANSMISSION