Curiosii for ever!: Car repair manuals for everyone.

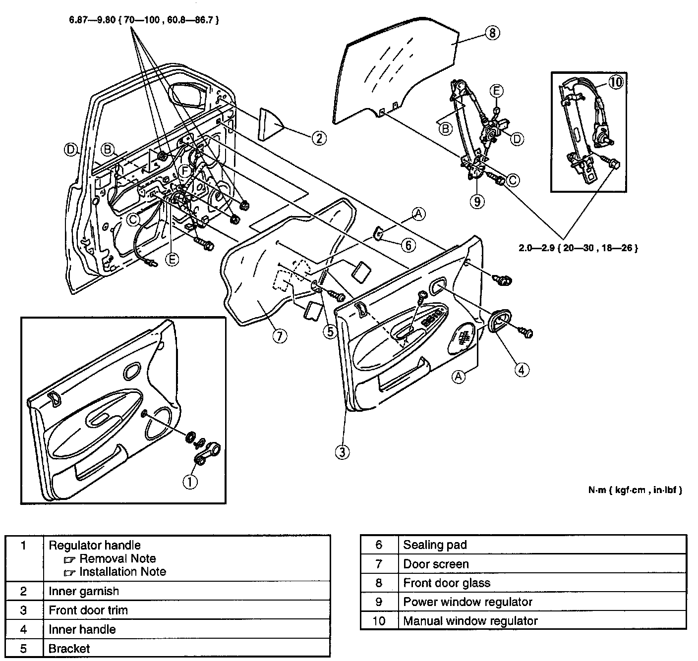
Window Regulator: Service and Repair




1. Lower the front door glass fully.
2. Disconnect the negative battery cable.
3. Remove in the order indicated in the table.
4. Install in the reverse order of removal indicated in the table.
5. Connect the negative battery cable.

Removal note



^ Remove the regulator handle clip by using a rag as shown.

Installation note



1. Raise the front door glass fully.
2. Install the clip in the regulator handle (A).
3. Push the regulator handle as shown (B).