Idle/Throttle Speed Control Unit: Service and Repair
WARNING:- Fuel vapor is hazardous. It can very easily ignite, causing serious injury and damage. Always keep sparks and flames away from fuel.
- Fuel line spills and leaks are dangerous. Fuel can ignite and cause serious injuries or death and damage. Fuel can also irritate skin and eyes. To prevent this, always complete the "Fuel Pressure Release Procedure".
Fuel Pressure Release
1. Disconnect the negative battery cable.
2. Drain the engine coolant from the radiator.
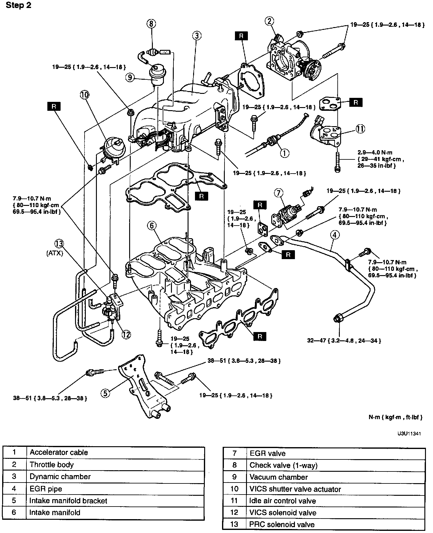
3. Remove in the order indicated in the images.
NOTE: Before removing the fresh-air duct, remove the LH front mud guard mounting bolts, nut, and fasteners shown.
4. Install in the reverse order of removal indicated in the images.
NOTE: Face the bead of the gasket as shown, and install the dynamic chamber.
NOTE: Face the bead of the gasket toward the intake manifold as shown, and install the intake manifold.
5. Refill the radiator with the specified engine coolant.