Curiosii for ever!
: Car repair manuals for everyone.
Home
>>
Mazda
>>
1997
>>
Protege ES L4-1839cc 1.8L DOHC
>>
Repair and Diagnosis
>>
Diagrams
>>
Exploded Views
>>
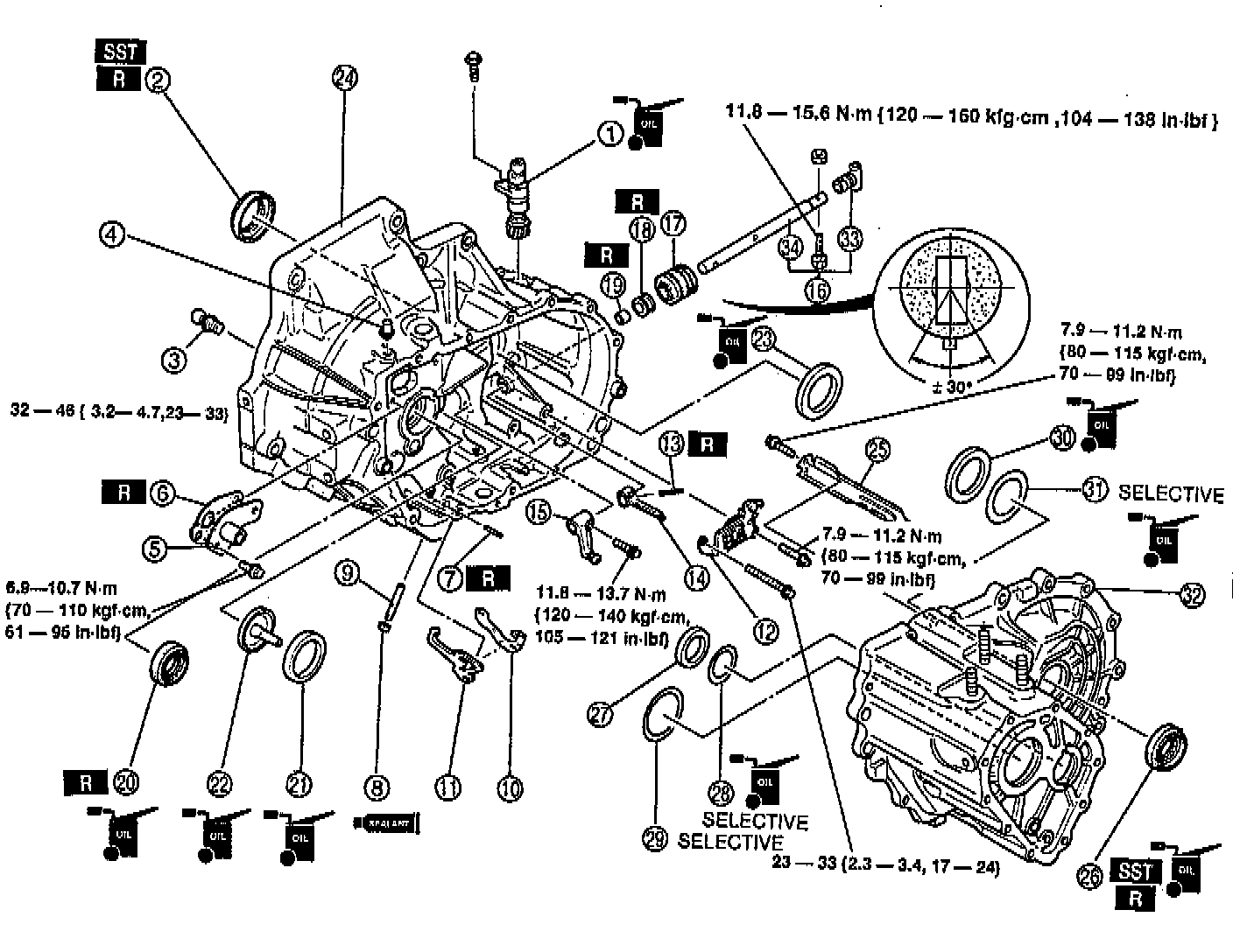
Case, M/T
Case, M/T
Part 1 Of 2:
Part 2 Of 2: