Curiosii for ever!
: Car repair manuals for everyone.
Home
>>
Mazda
>>
1997
>>
Millenia V6-2.5L DOHC
>>
Repair and Diagnosis
>>
Powertrain Management
>>
Computers and Control Systems
>>
Fuel Tank Pressure Sensor
>>
Service and Repair
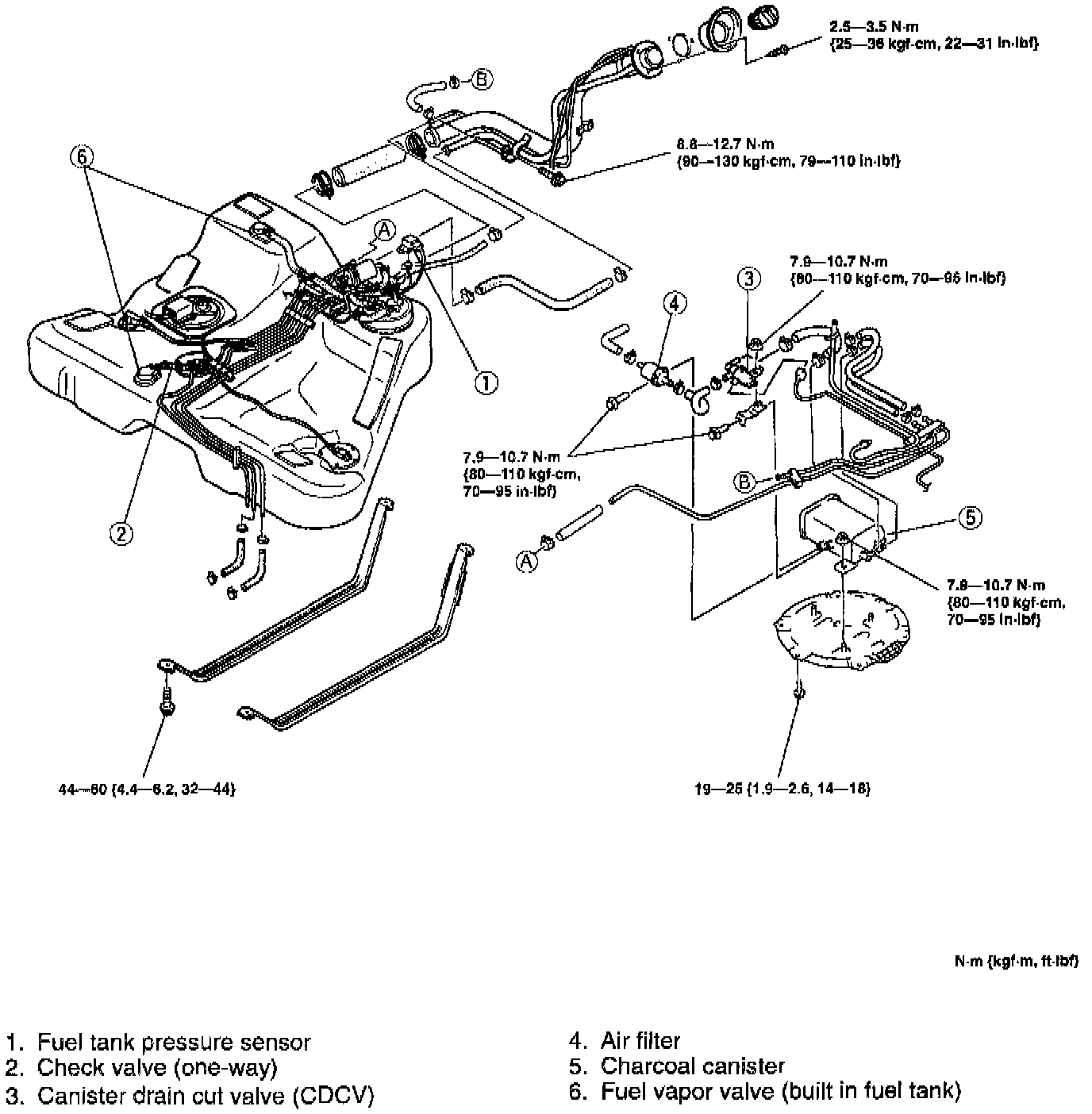
Fuel Tank Pressure Sensor: Service and Repair
Removal/Installation
1.
Remove the fuel tank.
2.
Remove in the order shown in the figure.
3.
Install in the reverse order of removal.