Body Control Module: Service and Repair
Removal / installation
1. Disconnect the negative battery cable.
2. Remove the scuff plate and front side trim.
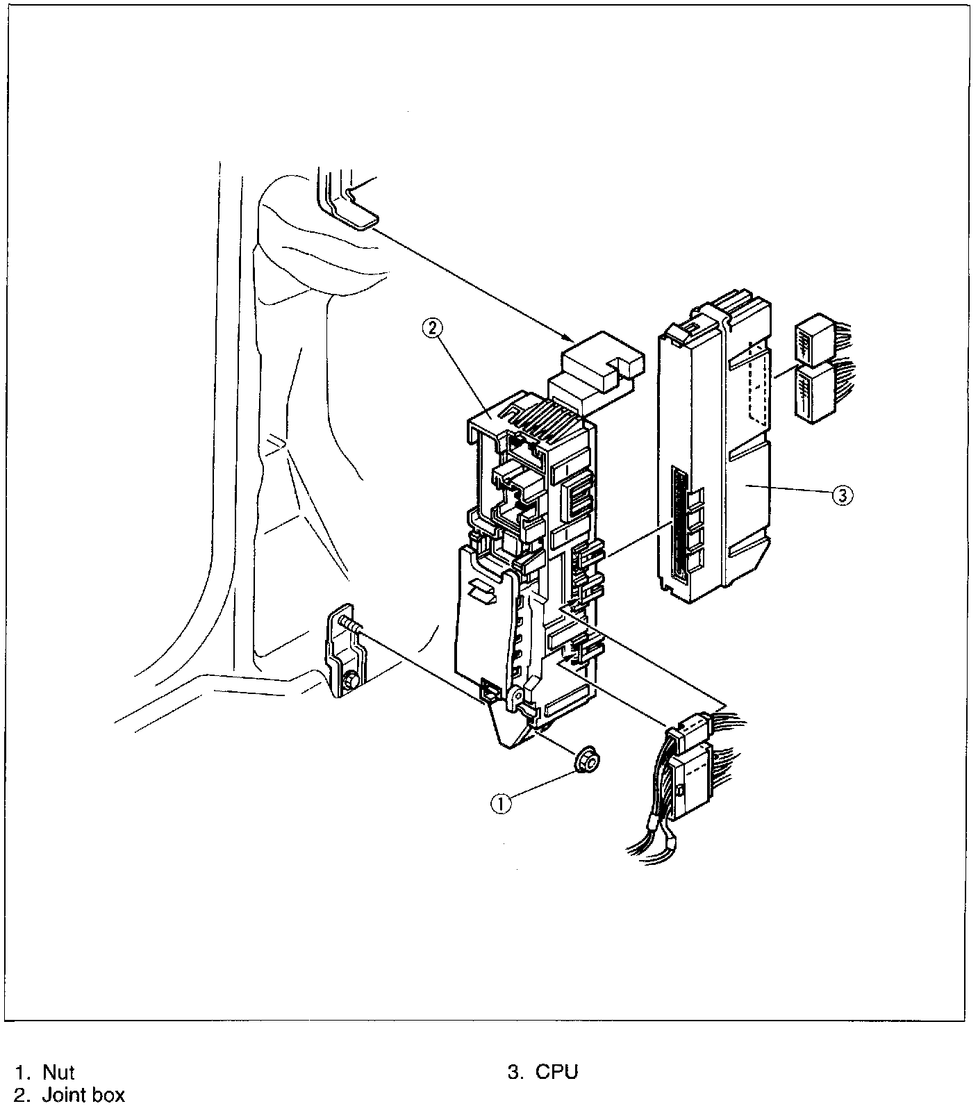
3. Disconnect the joint box and CPU connectors.
4. Remove in the order shown in the figure.
5. Install in the reverse order of removal.