Curiosii for ever!
: Car repair manuals for everyone.
Home
>>
Mazda
>>
1997
>>
Millenia V6-2.5L DOHC
>>
Repair and Diagnosis
>>
Diagrams
>>
Exploded Views
>>
Automatic Transmission/Transaxle
>>
System Diagram
System Diagram
Differential, Output Gear, Idler Gear And Converter Housing:
Low And Reverse Brake And Parking Mechanism:
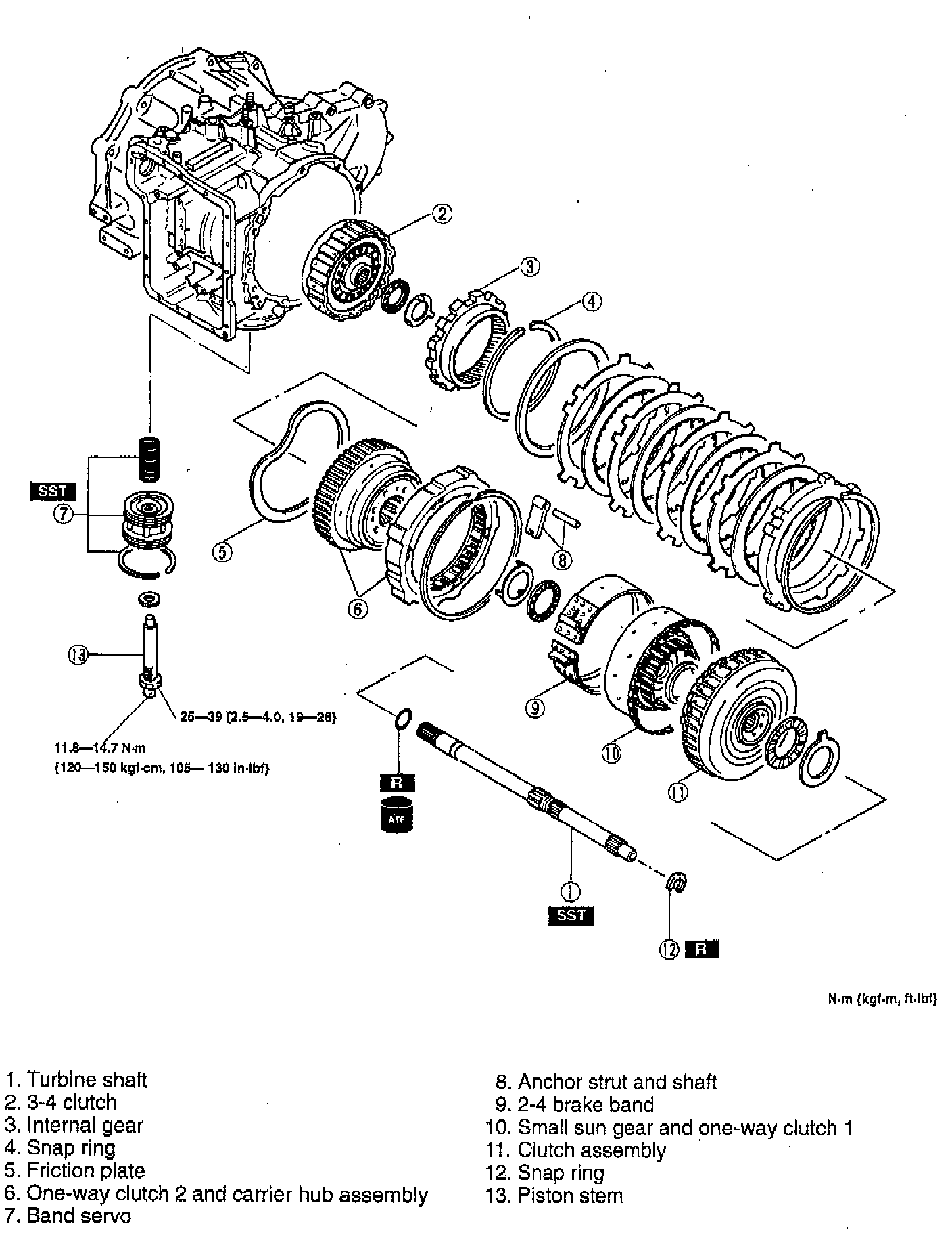
Clutches, Band Servo, And Turbine Shaft:
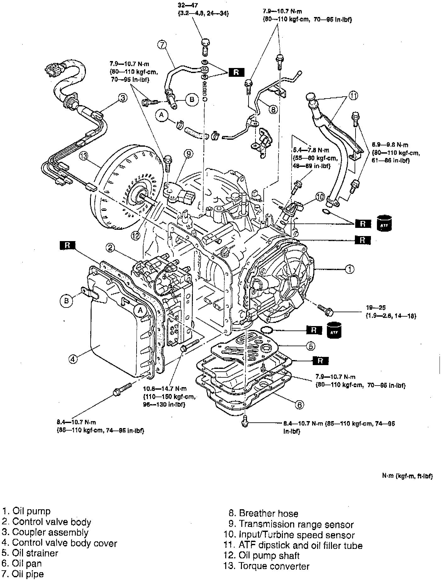
Torque Converter, Oil Pump, Control Valve Body: