Cluster Switch
Removal / Installation
1. Remove the meter hood.
2. Remove in the order shown in the figure.
3. Install in the reverse order of removal.
Fog Light Switch Inspection
1. Remove the cluster switch.
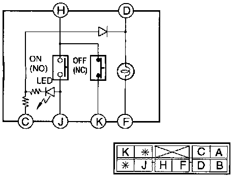
2. Check for continuity between the cluster switch terminals.
3. If not as specified, replace the cluster switch.
Cruise Control Main Switch Inspection
1. Remove the cluster switch.
2. Check for continuity between the cluster switch terminals.
3. Connect battery positive voltage to terminal J and ground to terminal C of the cruise control switch.
4. Verify that the light-emitting diode illuminates.
5. If not as specified, replace the cluster switch.