Curiosii for ever!: Car repair manuals for everyone.

Engine Tightening Specifications

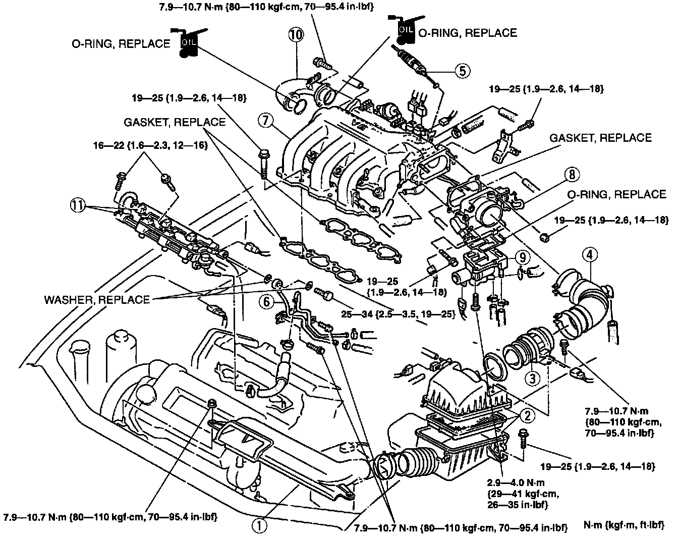
Intake Components:







1. Fresh-air duct
2. Air cleaner
3. Volume air flow sensor
4. Air intake hose
5. Accelerator cable
6. Fuel pipe
7. Intake manifold (Inspect)
8. Throttle body (Inspect)
9. BAC valve
10. Air intake pipe (Inspect)
11. Fuel distributor







Upper Engine:







Cam Cap Torque/Sequence:






Valve Cover Torque/Sequence:












Cylinder Head Installation Note
Before installation, measure the length of each bolt. Replace any that exceed the maximum length.

Standard length: 131.2 - 131.8 mm {5.16 - 5.188 inch}
Maximum length: 132.5 mm {5.217 inch}


Head Torque Sequence:





Tighten the bolts in two or three steps in the order shown.

Tightening torque: 23.1 - 25.9 Nm {2.35 - 2.65 kgf/m, 17 - 19.1 ft. lbs.}








Put a paint mark on each bolt head
Using the marks as a reference, tighten the bolts by turning each 85° - 95° in the sequence shown.
Further tighten each bolt by turning another 85° - 95° in the sequence shown.



Timing Components:






Lower Engine:






Tightening Sequence:











Flywheel (M/T) Torque/Sequence:






Drive Plate (A/T) Torque/Sequence: