Curiosii for ever!
: Car repair manuals for everyone.
Home
>>
Mazda
>>
1997
>>
MX-6 L4-2.0L DOHC
>>
Repair and Diagnosis
>>
Diagrams
>>
Exploded Views
>>
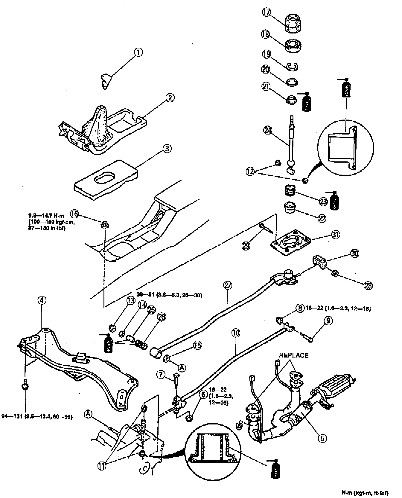
Shift Linkage, M/T
Shift Linkage, M/T
Part 1 Of 2:
Part 2 Of 2: