Curiosii for ever!
: Car repair manuals for everyone.
Home
>>
Mazda
>>
1997
>>
MX-6 L4-2.0L DOHC
>>
Repair and Diagnosis
>>
Diagrams
>>
Electrical Diagrams
>>
Automatic Transmission/Transaxle
>>
System Diagram
>>
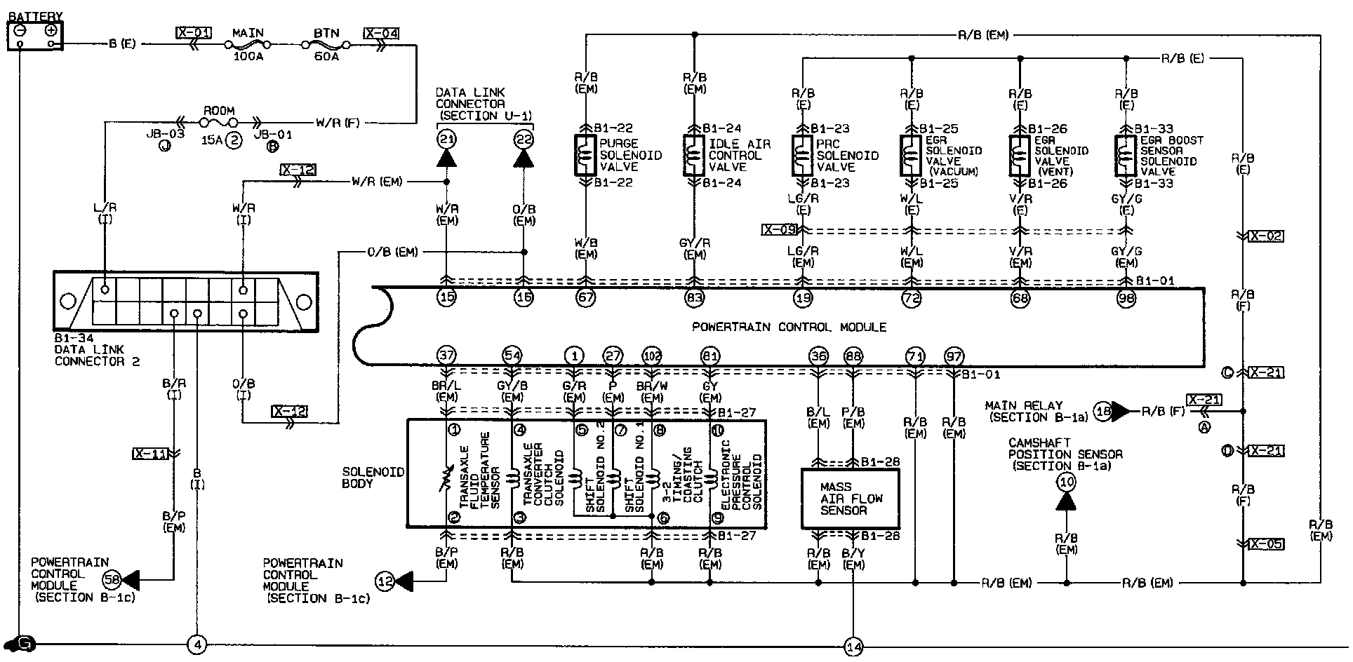
Engine Control System, EC-AT Control System
Engine Control System, EC-AT Control System
Engine Control System (ATX), EC-AT Control System (ATX):