Curiosii for ever!
: Car repair manuals for everyone.
Home
>>
Mazda
>>
1997
>>
MX-5 Miata L4-1.8L DOHC
>>
Repair and Diagnosis
>>
Diagrams
>>
Exploded Views
>>
Automatic Transmission/Transaxle
>>
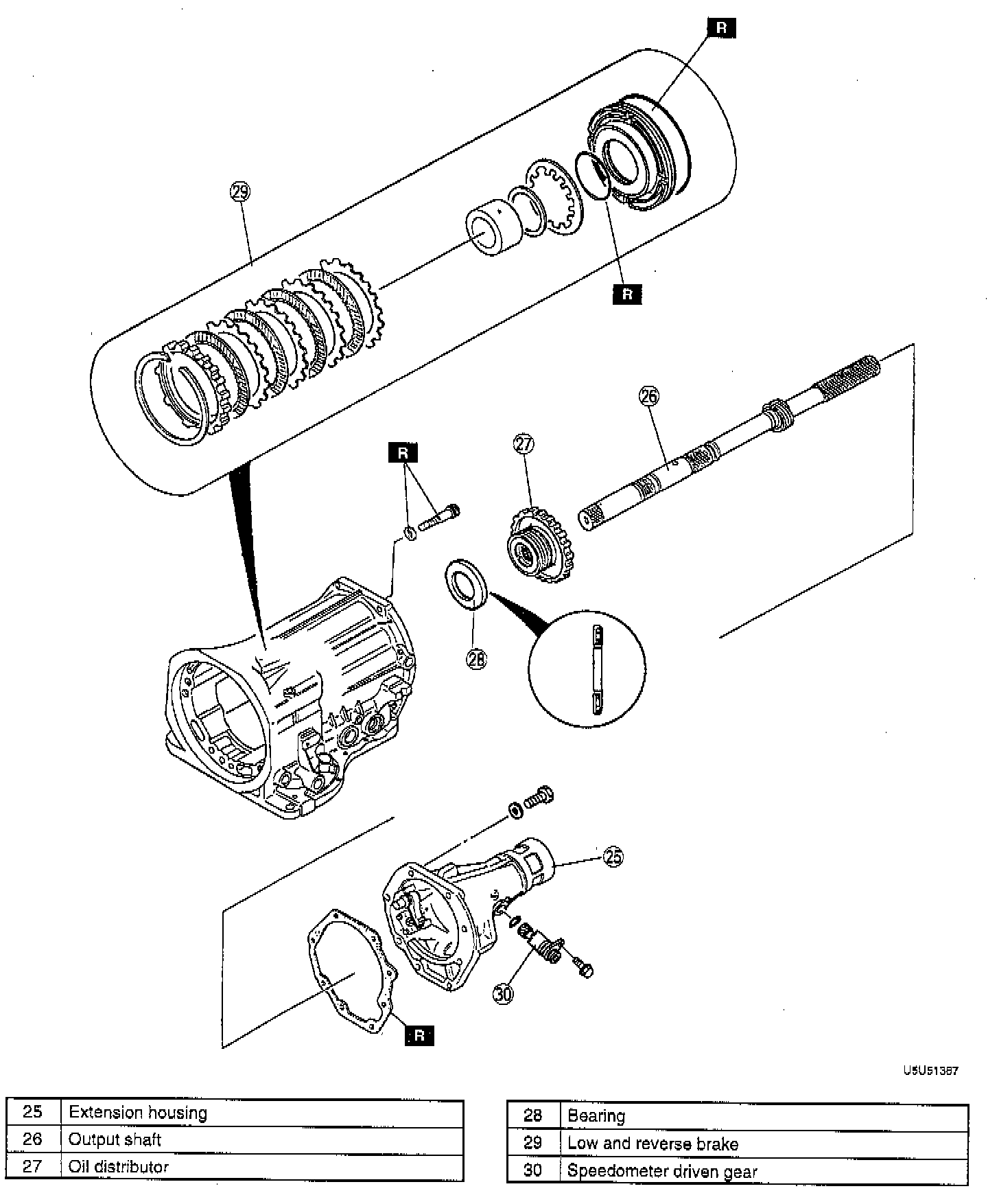
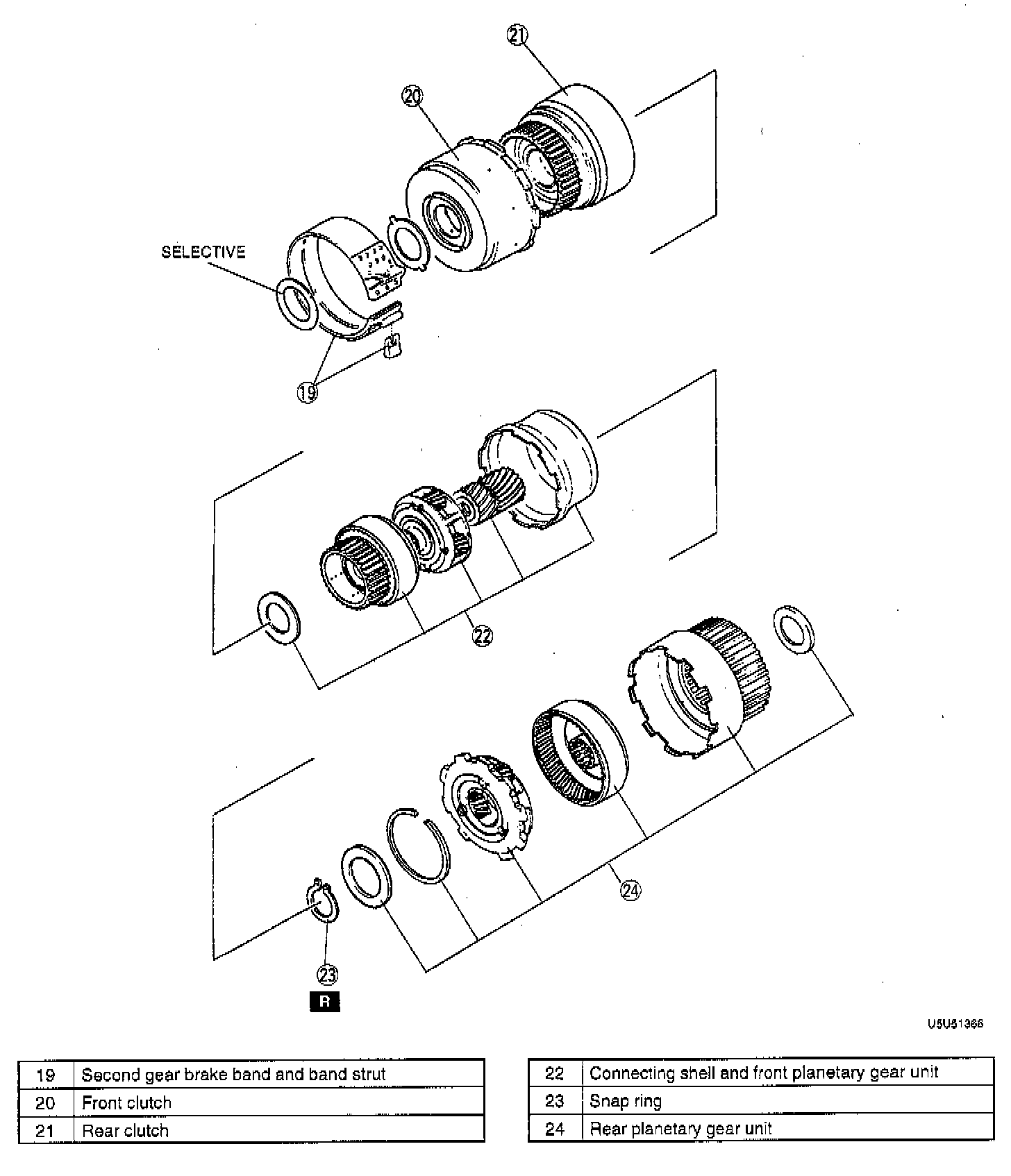
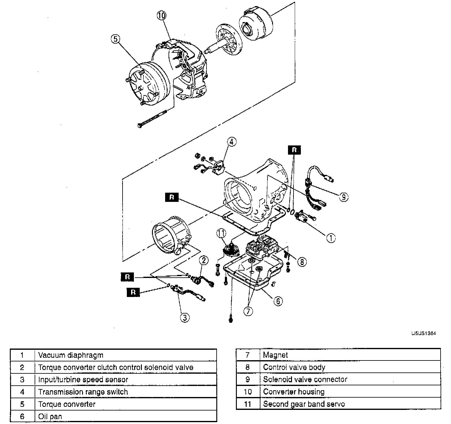
System Diagram
System Diagram
Part 1 Of 4:
Part 2 Of 4:
Part 3 Of 4:
Part 4 Of 4: