Curiosii for ever!
: Car repair manuals for everyone.
Home
>>
Mazda
>>
1997
>>
626 LX L4-2.0L DOHC
>>
Repair and Diagnosis
>>
Powertrain Management
>>
Computers and Control Systems
>>
Description and Operation
>>
Control System Diagram
>>
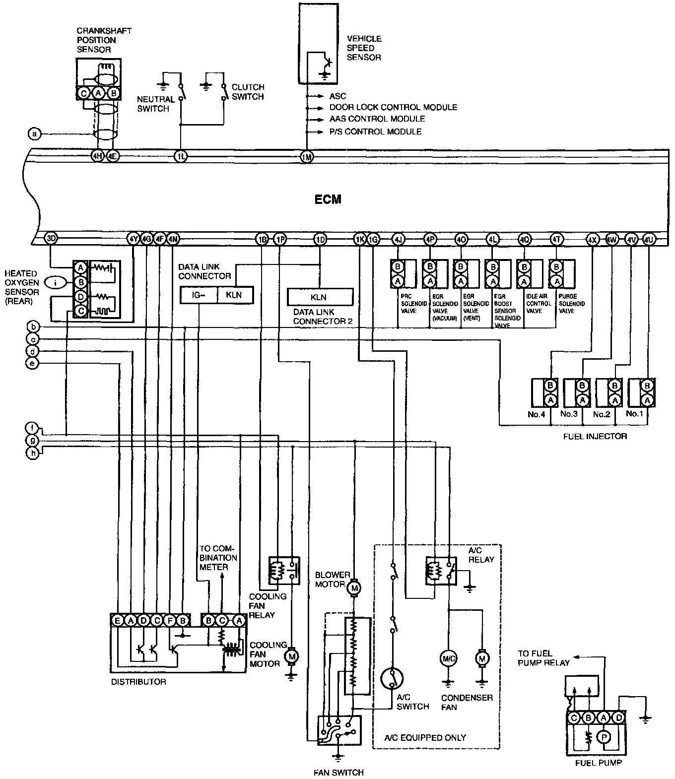
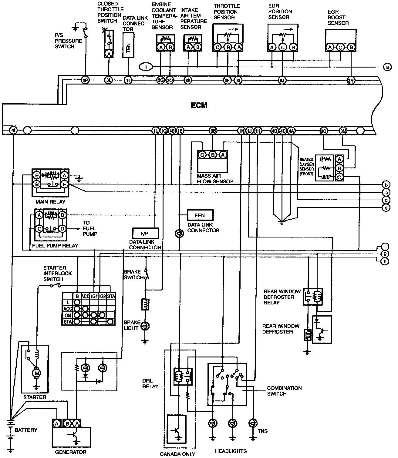
With Manual Transaxle
With Manual Transaxle
Engine Control System Schematic (1 Of 2):
(1 Of 2)
Engine Control System Schematic (2 Of 2):
(2 Of 2)