Curiosii for ever!: Car repair manuals for everyone.

Alternator: Service and Repair

Removal / Installation
CAUTION:
^ Reversing the battery connections or using high-voltage testers will damage the rectifier.
^ Do not start the engine while the connector is disconnected from terminals Land S. It can damage the generator.
^ When the battery cables are connected, touching the vehicle body with generator terminal B will generate sparks. This can cause personal injury, fire, and damage to the electrical components. Always disconnect the battery before performing the following operation.

NOTE:
^ Battery positive voltage is always present at generator terminal B when the battery is connected.

FS Engine:




KL Engine:





1. Disconnect the negative battery cable.
2. Remove the warm up three way catalytic converter or the front pipe.
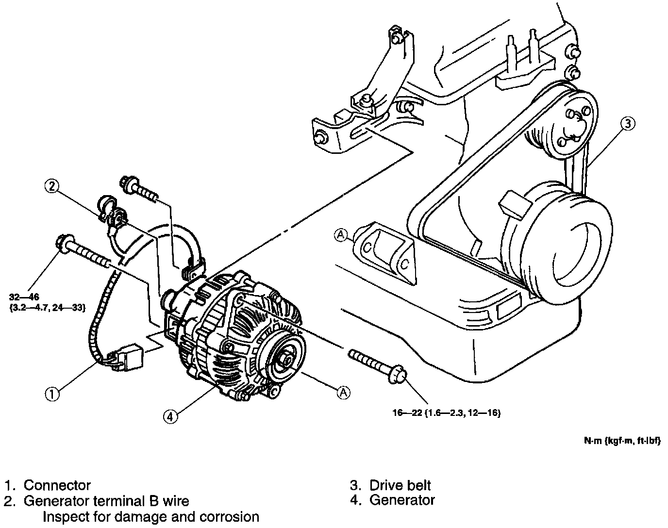
3. Remove in the order shown in the figure.
4. Install in the reverse order of removal.

CAUTION:
^ Reversing the battery connections or using high-voltage testers will damage the rectifier.
^ Do not start the engine while the connector is disconnected from terminals L and S. It can damage the generator.
^ When the battery cables are connected, touching the vehicle body with generator terminal B will generate sparks. This can cause personal injury, fire, and damage to the electrical components. Always disconnect the battery before performing the following operation.

NOTE:
^ Battery positive voltage is always present at generator terminal B when the battery is connected.