Curiosii for ever!
: Car repair manuals for everyone.
Home
>>
Mazda
>>
1997
>>
626 DX L4-2.0L DOHC
>>
Repair and Diagnosis
>>
Powertrain Management
>>
Computers and Control Systems
>>
Data Link Connector
>>
Diagrams
>>
Electrical Diagrams
>>
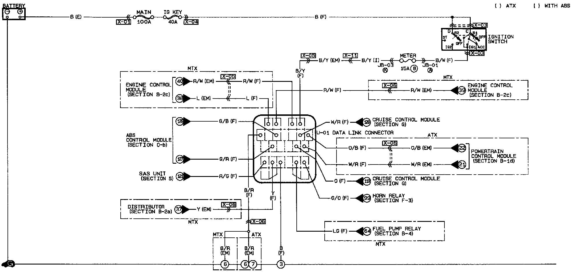
Data Link Connector 1
Data Link Connector 1
Data Link Connector:
Connector Locations: