Curiosii for ever!
: Car repair manuals for everyone.
Home
>>
Mazda
>>
1997
>>
626 DX L4-2.0L DOHC
>>
Repair and Diagnosis
>>
Diagrams
>>
Electrical Diagrams
>>
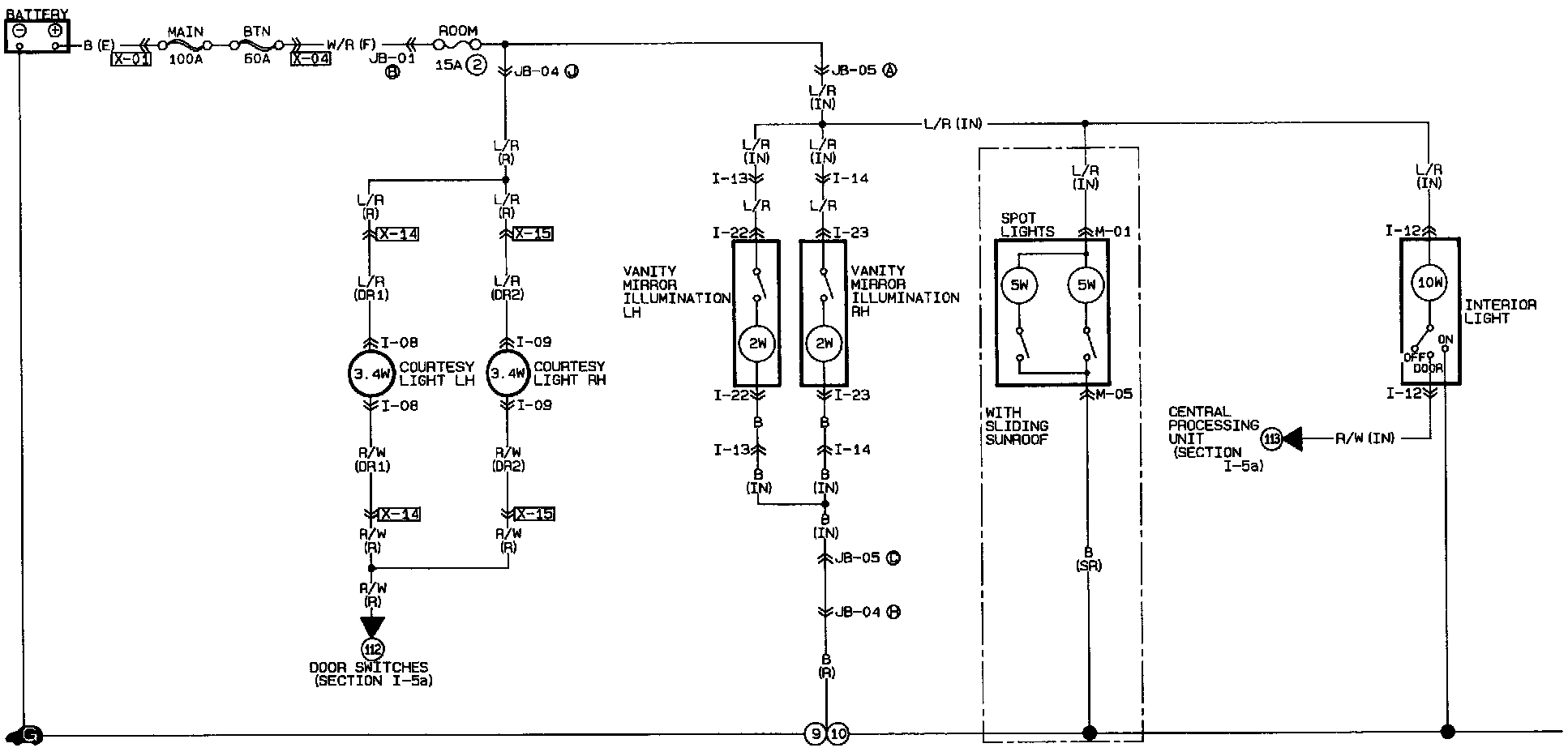
Interior Lighting Module
Interior Lighting Module
Courtesy Lights, Spot Lights, Interior Lights, Vanity Mirror Illuminations: