Curiosii for ever!
: Car repair manuals for everyone.
Home
>>
Mazda
>>
1997
>>
626 DX L4-2.0L DOHC
>>
Repair and Diagnosis
>>
Diagrams
>>
Electrical Diagrams
>>
Automatic Transmission/Transaxle
>>
System Diagram
>>
Engine Control System
Engine Control System
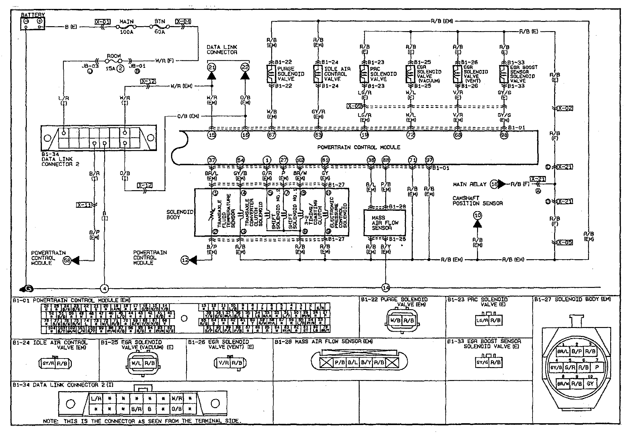
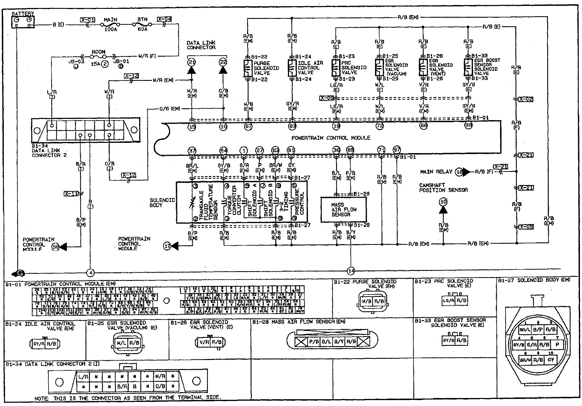
Part 1 Of 4:
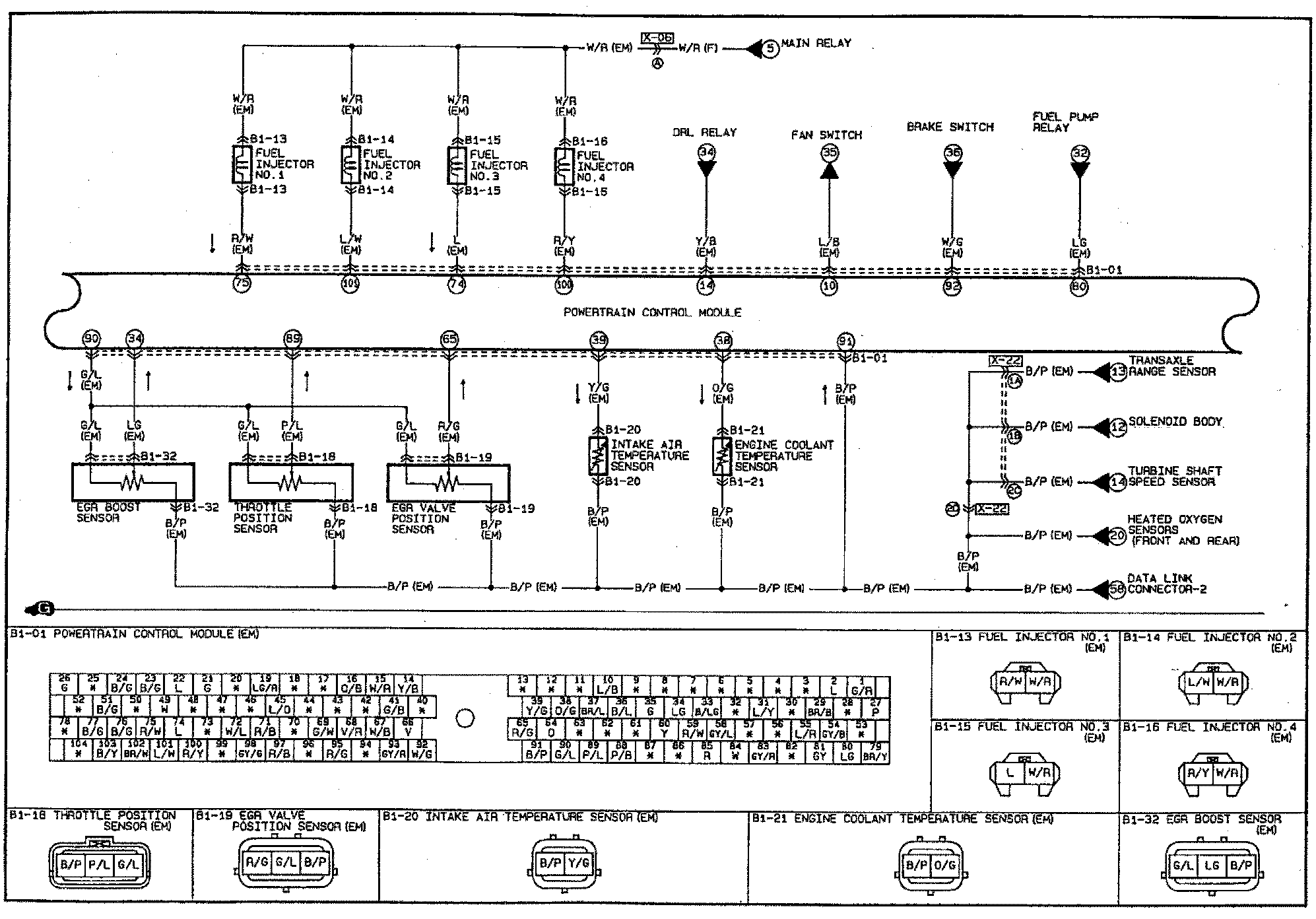
Part 2 Of 4:
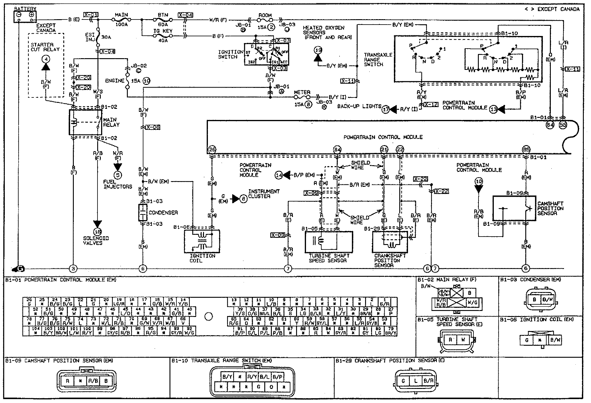
Part 3 Of 4:
Part 4 Of 4: