Curiosii for ever!
: Car repair manuals for everyone.
Home
>>
Mazda
>>
1996
>>
Protege L4-1839cc 1.8L DOHC
>>
Repair and Diagnosis
>>
Engine, Cooling and Exhaust
>>
Engine
>>
Specifications
>>
Mechanical Specifications
>>
Torque Specifications
Torque Specifications
Intake:
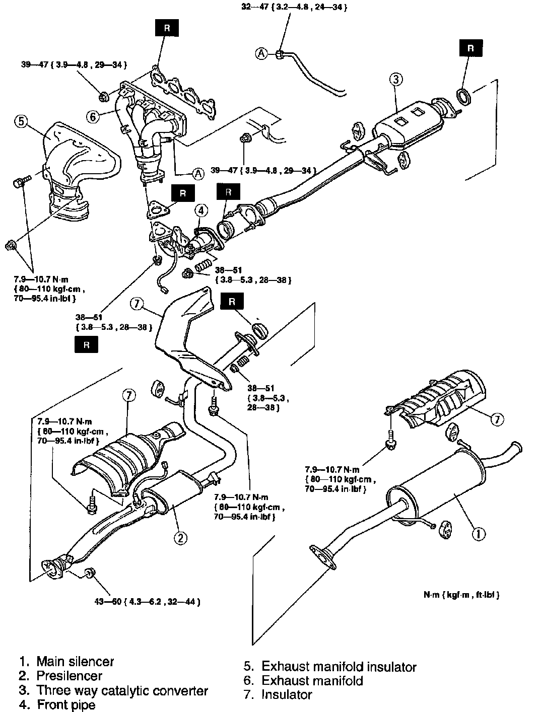
Exhaust Manifold:
Upper Engine:
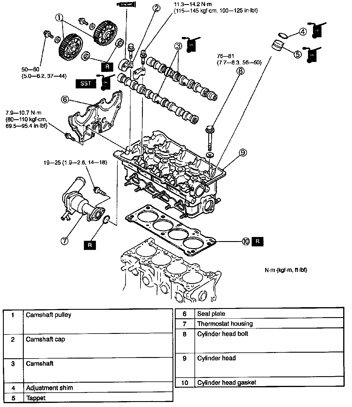
Head Torque Sequence:
Cam Holder Torque/Sequence:
Timing Components:
Lower Engine:
Main Bolt Torque Sequence: