Curiosii for ever!
: Car repair manuals for everyone.
Home
>>
Mazda
>>
1996
>>
Millenia V6-2496cc 2.5L DOHC
>>
Repair and Diagnosis
>>
Relays and Modules
>>
Relays and Modules - Powertrain Management
>>
Relays and Modules - Computers and Control Systems
>>
Engine Control Module
>>
Locations
>>
Component Locations
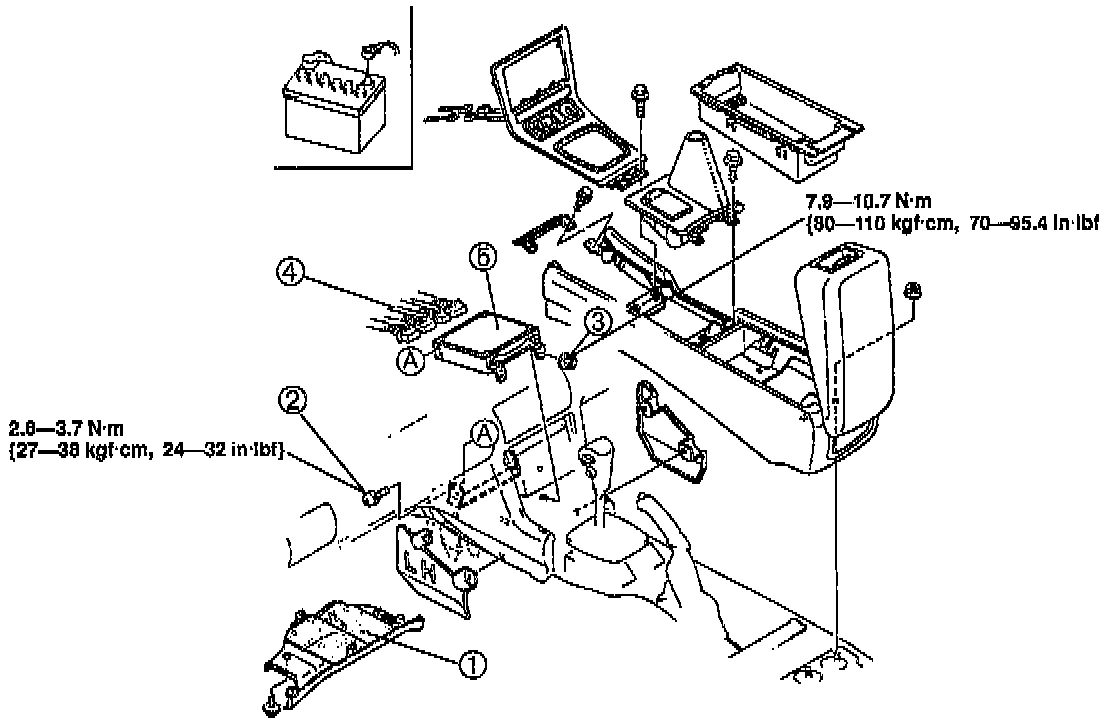
Component Locations
1.
Cover
2.
PCM bracket screw
3.
PCM bracket nut
4.
Connector
5.
PCM