Curiosii for ever!: Car repair manuals for everyone.

EC-AT Control System

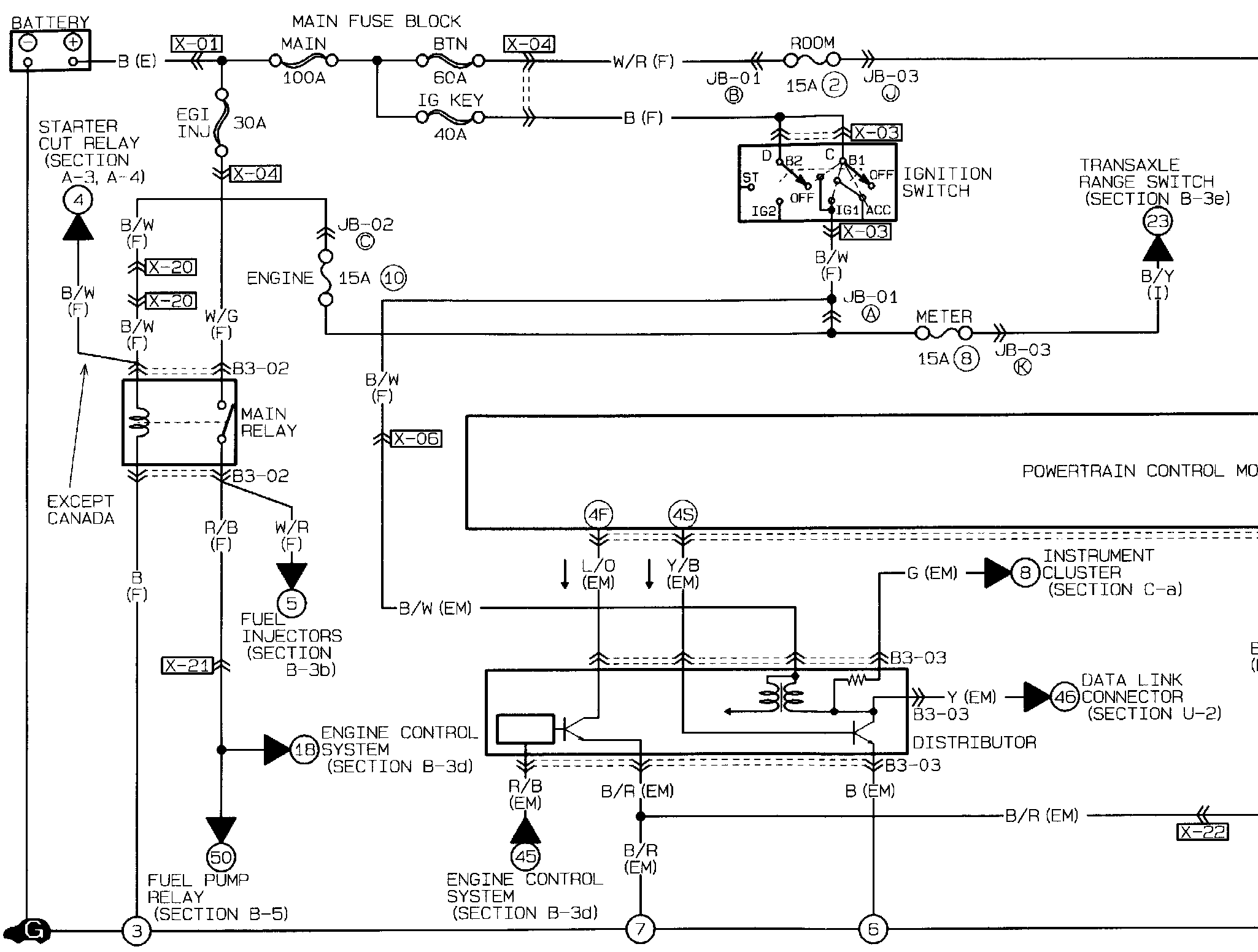
�_°#Engine Control System (1/5), EC-AT Control System (1/5), Ignition System:





B3-01 Engine Control Module (EM):





B3-02 Main Relay (F):





B3-03 Distributor (EM):





B3-04 Knock Sensor (EM):





B3-05 Crankshaft Position Sensor (E):





ѻ*Engine Control System (1/5):





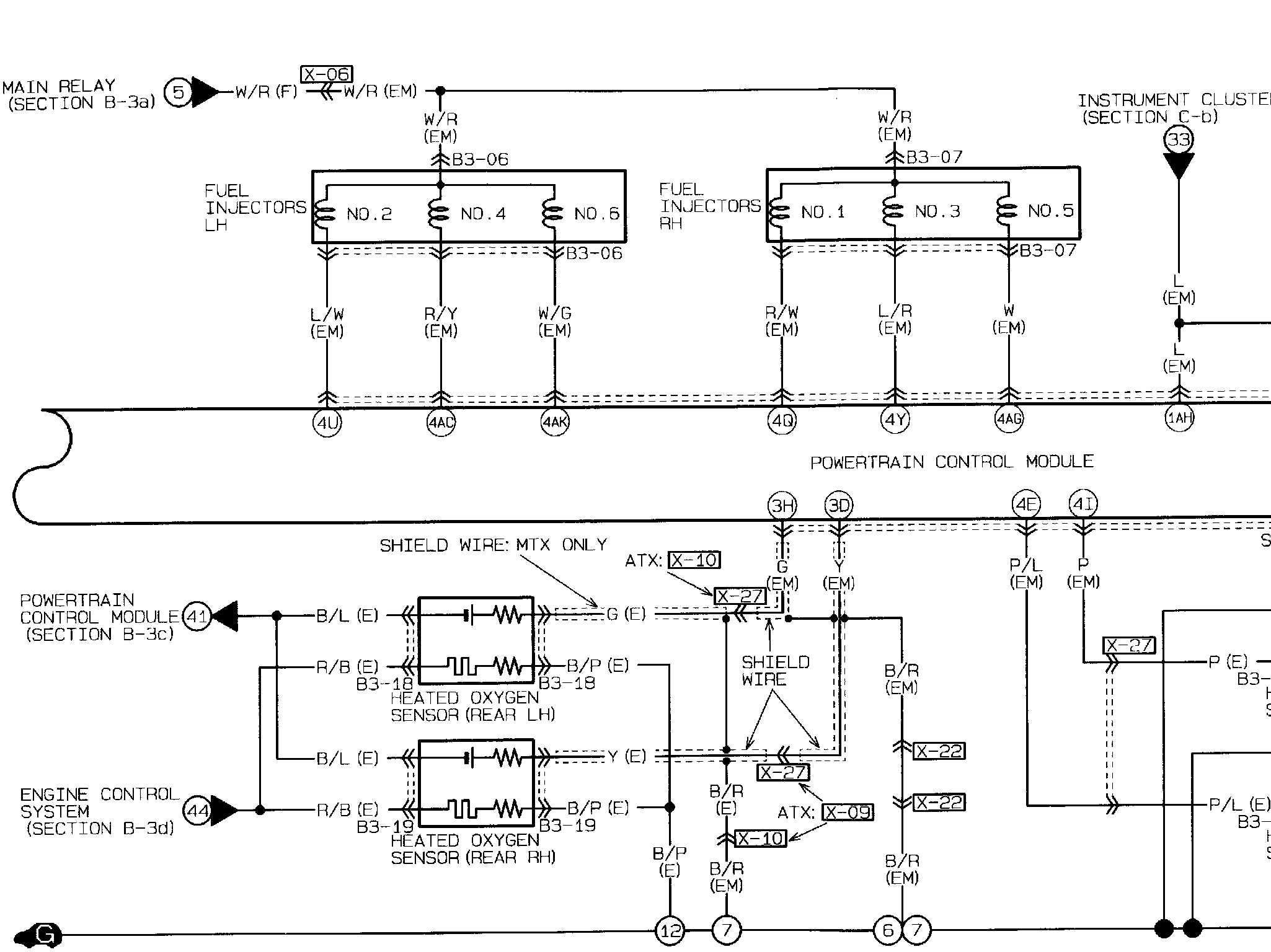
��°#Engine Control System (2/5), EC-AT Control System (2/5):





B3-01 Engine Control Module (EM):





B3-06 Fuel Injectors LH (EM):





B3-07 Fuel Injectors RH (EM):





B3-18 Heated Oxygen Sensor (Rear LH) (E):





B3-19 Heated Oxygen Sensor (Rear RH) (E):





B3-24 Heated Oxygen Sensor (Front LH) (E):





B3-25 Heated Oxygen Sensor (Front RH) (E):





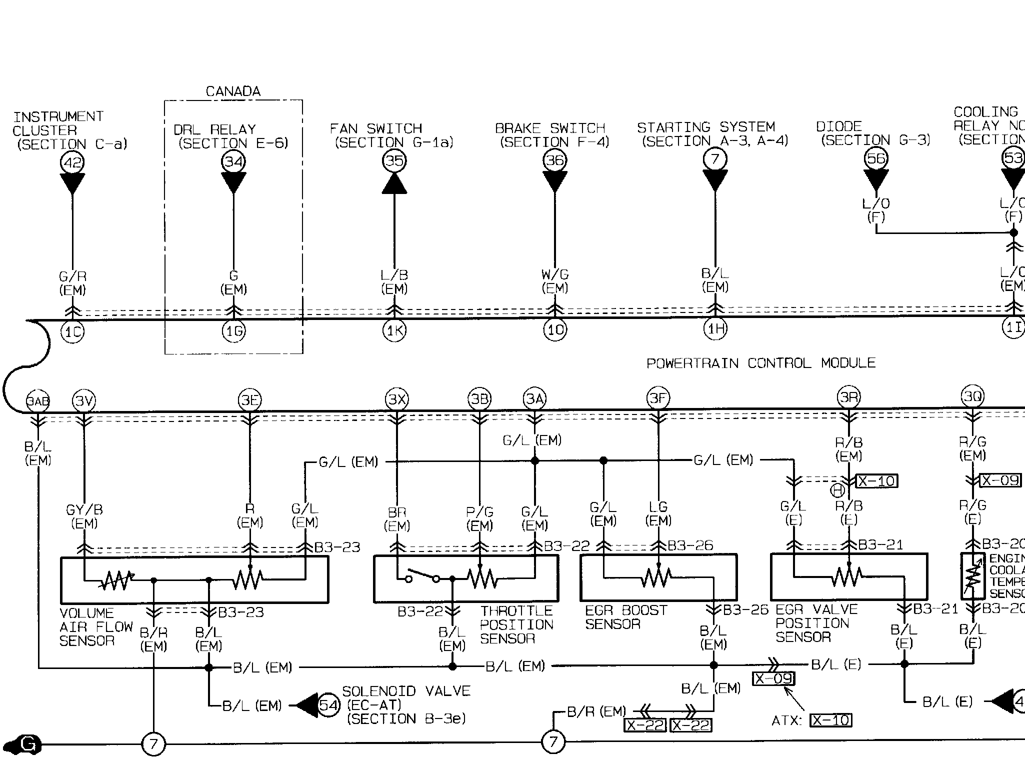
� ,Engine Control System (3/5):





�a�#Engine Control System (3/5), EC-AT Control System (3/5):





B3-01 Engine Control Module (EM):





B3-08 Clutch Switch (F):





B3-09 Neutral Switch (E):





B3-20 Engine Coolant Temperature Sensor (E):





B3-21 EGR Valve Position Sensor (E):





B3-22 Throttle Position Sensor (EM):





B3-23 Volume Air Flow Sensor (EM):





B3-26 EGR Boost Sensor (EM):





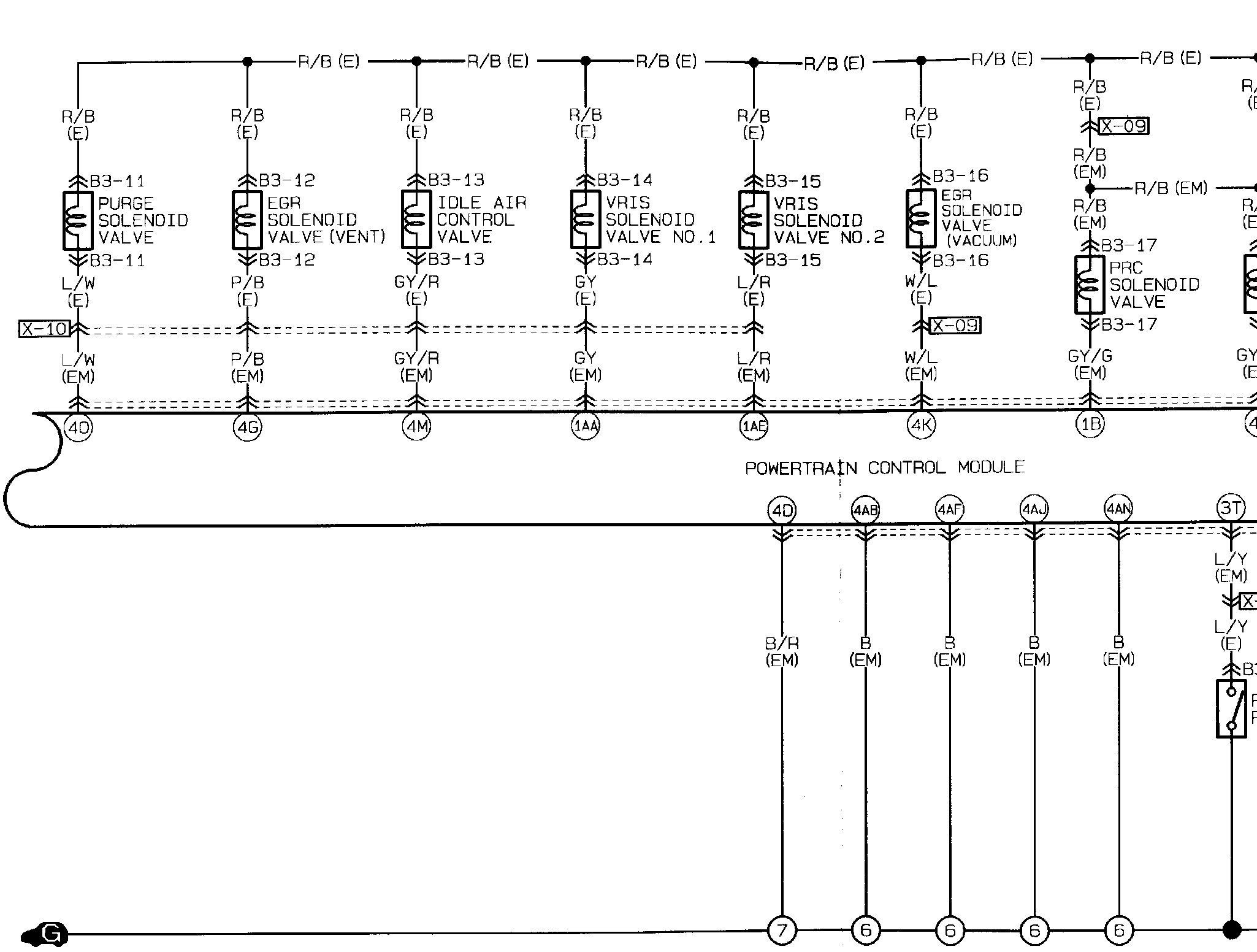
�,Engine Control System (4/5):





<ʱ#Engine Control System (4/5), EC-AT Control System (4/5):





B3-01 Engine Control Module (EM):





B3-10 Power Steering Pressure Switch (E):





B3-11 Purge Solenoid Valve (E):





B3-12 EGR Solenoid Valve (Vent) (E):





B3-13 Idle Air Control Valve (E):





B3-14 VRIS Solenoid Valve No. 1 (E):





B3-15 VRIS Solenoid Valve No. 2 (E):





B3-16 EGR Solenoid Valve (Vacuum) (E):





B3-17 PRC Solenoid Valve (EM):





B3-27 EGR Boost Sensor Solenoid Valve (EM):





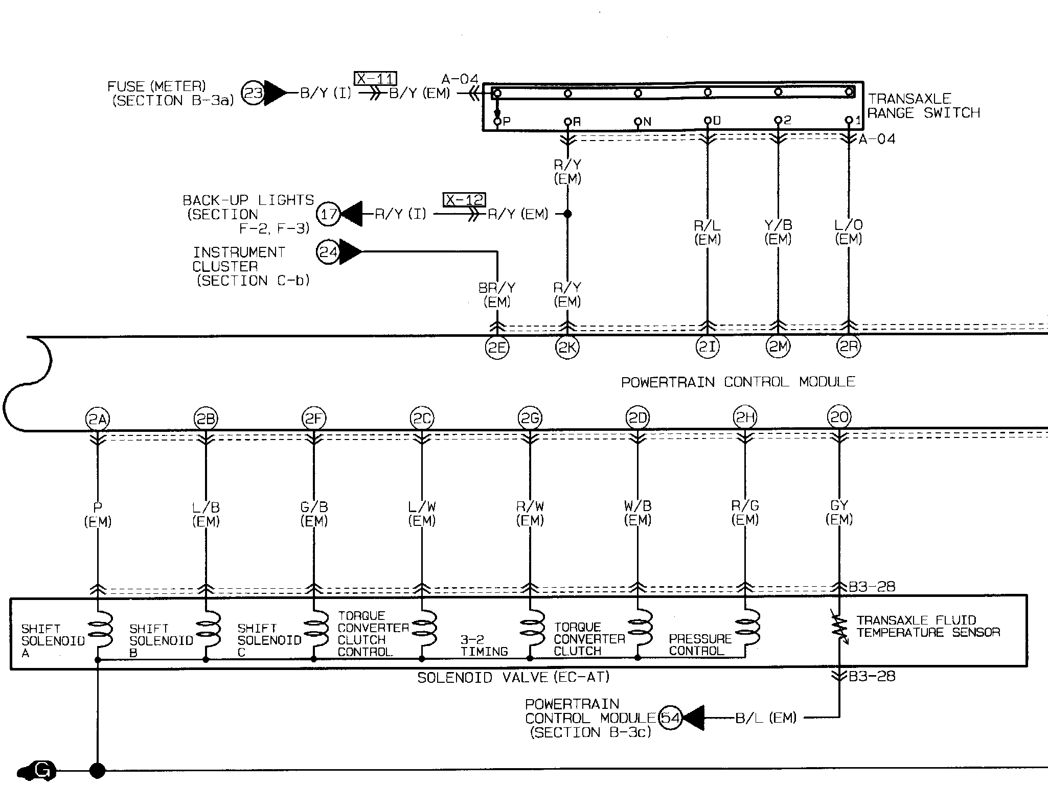
0j-Engine Control System (5/5):





�2�#Engine Control System (5/5), EC-AT Control System (5/5):





B3-01 Engine Control Module (EM):





B3-28 Solenoid Valve (EC-AT) (EM):





B3-29 Input/Turbine Speed Senor (E):





A-04 Transaxle Range Switch (EM):





I-04 O/D Off Switch (I):





*[+Engine Control System (2/5):