Curiosii for ever!: Car repair manuals for everyone.

Computers and Control Systems: Description and Operation

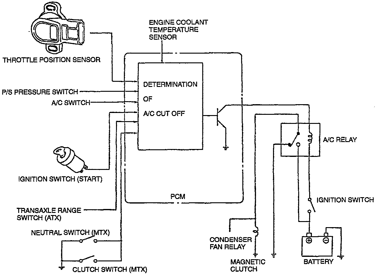
A/C CUT OFF SYSTEM
DESCRIPTION


A/C CUT OFF SYSTEM:




An A/C cut off system is used to improve idle smoothness immediately after starting the engine and to improve acceleration performance.

A/C CUT OFF SYSTEM OPERATION:




OPERATION