Curiosii for ever!
: Car repair manuals for everyone.
Home
>>
Mazda
>>
1996
>>
626 L4-1991cc 2.0L DOHC
>>
Repair and Diagnosis
>>
Diagrams
>>
Electrical Diagrams
>>
Powertrain Management
>>
Computers and Control Systems
>>
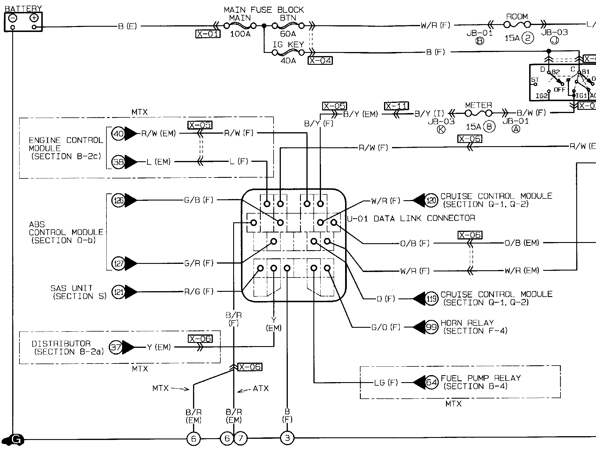
Data Link Connector
Data Link Connector
���4Data Link Connector:
�on4Connector Locations: