Curiosii for ever!: Car repair manuals for everyone.

Air Injection Control Valve: Service and Repair

Removal/Installation
1. Remove the extension manifold.
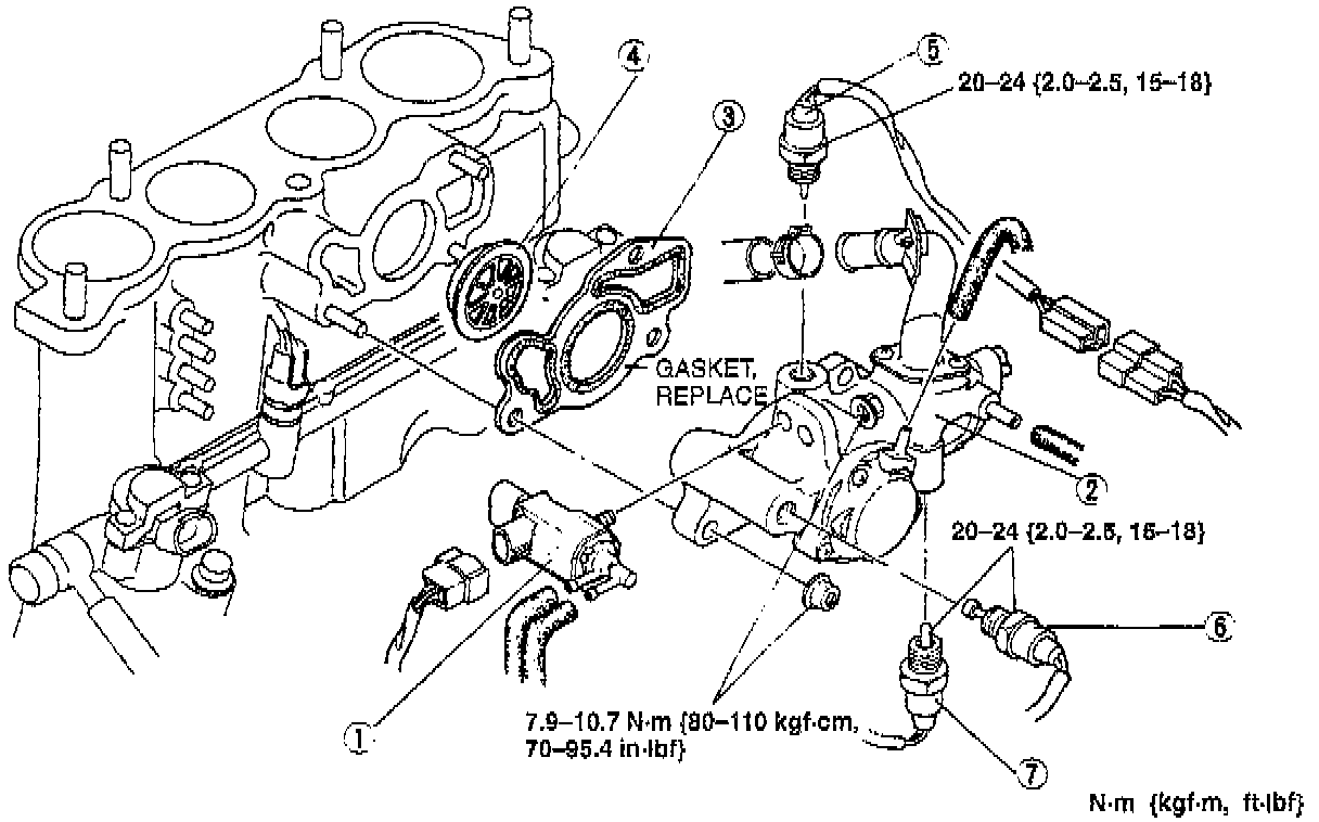
2. Remove in the order shown in the figure.
3. Install in the reverse order of removal.




1. Turbo control solenoid valve
2. Air control valve
3. Gasket
4. Check valve (Port air)
5. Port air bypass solenoid valve
6. Split air bypass solenoid valve
7. Relief2 solenoid valve