Curiosii for ever!: Car repair manuals for everyone.

Intake-Air System

Warning: Fuel vapor is hazardous. It can very easily ignite, causing serious injury and damage. Always keep sparks and flames away from fuel.
^ Fuel line spills and leaks are dangerous. Fuel can ignite and cause serious injuries or death and damage. Fuel can also irritate skin and eyes. To prevent this, always complete the "Fuel Line Safety Procedures".


Removal/Installation

STEP 1
1. Disconnect the negative battery cable.
2. Drain the coolant from the radiation.
3. Remove in the order shown in the figure, referring to Removal note.
4. Install in the reverse order of removal, referring to Installation note.
5. Refill the radiator with the specified engine coolant.




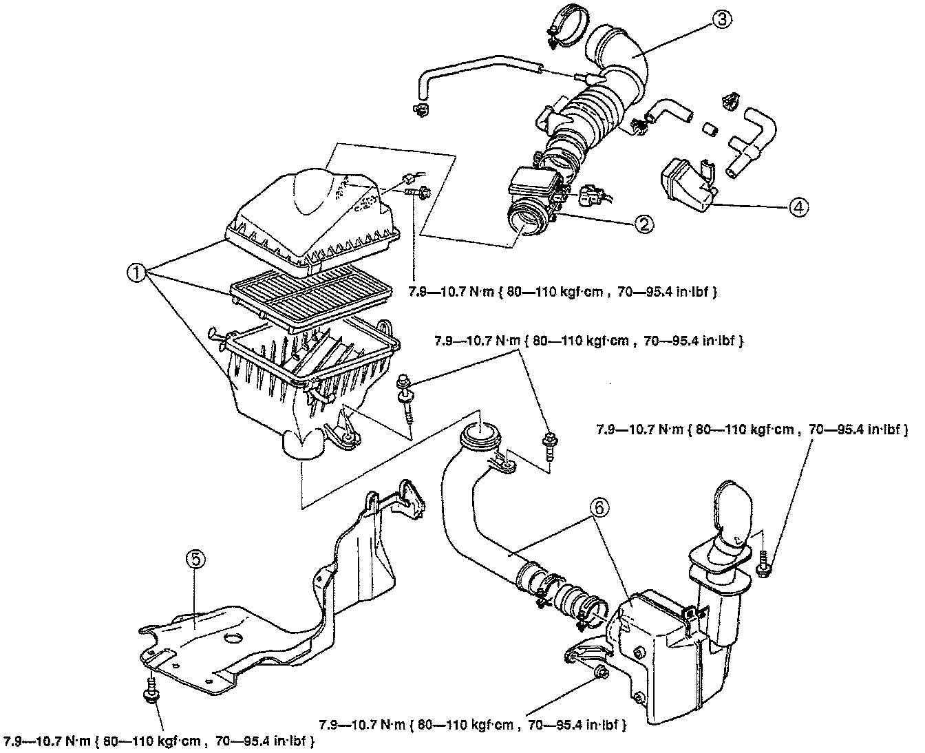
1. Air cleaner
2. Mass air flow sensor
3. Air intake hose
4. Resonance chamber
5. Splash shield
5. Fresh-air duct




Removal note
Fresh-air duct
Before removing the fresh-air duct, remove the LH front mud guard mounting bolts, nut, and fasteners shown.

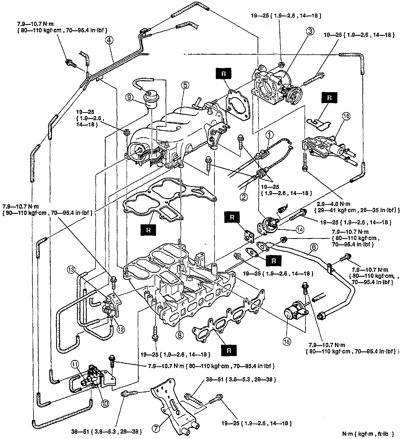
STEP 2




1. Throttle cable (ATX)
2. Accelerator cable
3. Throttle body
4. Vacuum pipe
5. Dynamic chamber
6. EGR pipe
7. Intake manifold stay
8. Intake manifold
9. Vacuum chamber
10. EGR solenoid valve (vacuum)
11. EGR solenoid valve (vent)
12. VICS solenoid valve
13. PRC solenoid valve
14. EGR valve
15. Air filter
16. BAC valve




Installation note
Dynamic chamber
Face the bead of the gasket as shown, and install the dynamic chamber.




Intake manifold
Face the bead of the gasket toward the intake manifold as shown, and install the intake manifold.