Curiosii for ever!: Car repair manuals for everyone.

Exhaust System

Removal/Installation
1. Disconnect the negative battery cable.
2. Remove the condenser fan.
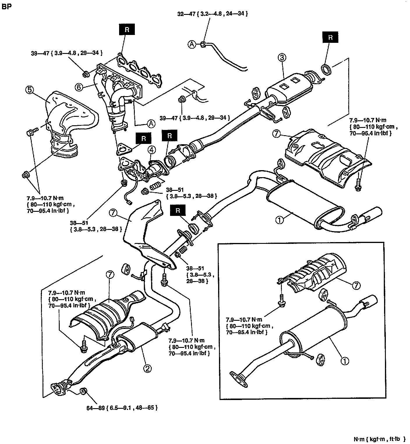
3. Remove in the order shown in the figure, referring to Removal note.
4. Install in the reverse order of removal, referring to Installation note.




1. Main silencer
2. Presilencer
3. Three way catalytic converter
4. Front pipe
5. Exhaust manifold insulator
6. Exhaust manifold
7. Insulator

Removal note
Exhaust manifold
1. Remove the air cleaner and disconnect the air hose.




2. Remove the water bypass pipe stay bolt.

Tightening torque:
64-89N-m (48-65 ft-lb)


Installation note
Front pipe




1. Hand tighten bolts and nuts in the order shown.
2. Tighten nut "3".

Tightening torque:
38-51 N-m (28-38 ft-lb)


3. Check for correct alignment at "5" (front pipe and bracket) and at "2" (block and bracket).
4. Check for correct alignment at "6" (hanger bracket and U bolt) then tighten nut "4".

Tightening torque:
10-16 N-m (87-147 in-lb)


5. Verify that "3" (flange and bracket) contacts with "2" (block and bracket) then tighten nut "1".

Tightening torque:
19-25 N-m (14-18 ft-lb)

6. Tighten bolt "2".

Tightening torque:
38-51 N-m (28-38 ft-lb)