Curiosii for ever!: Car repair manuals for everyone.

Intake-Air System

Warning: Fuel vapor is hazardous. It can very easily ignite, causing serious injury and damage. Always keep sparks and flames away from fuel.
^ Fuel line spills and leaks are dangerous. Fuel can ignite and cause serious injuries or death and damage. Fuel can also irritate skin and eyes. To prevent this, always complete the "Fuel Line Safety Procedures".


Removal/Installation

STEP 1
1. Disconnect the negative battery cable.
2. Drain the coolant from the radiator.
3. Remove in the order shown in the figure referring to Removal note.
4. Install in the reverse order of removal, referring to Installation note.
5. Refill the radiator with the specified engine coolant.




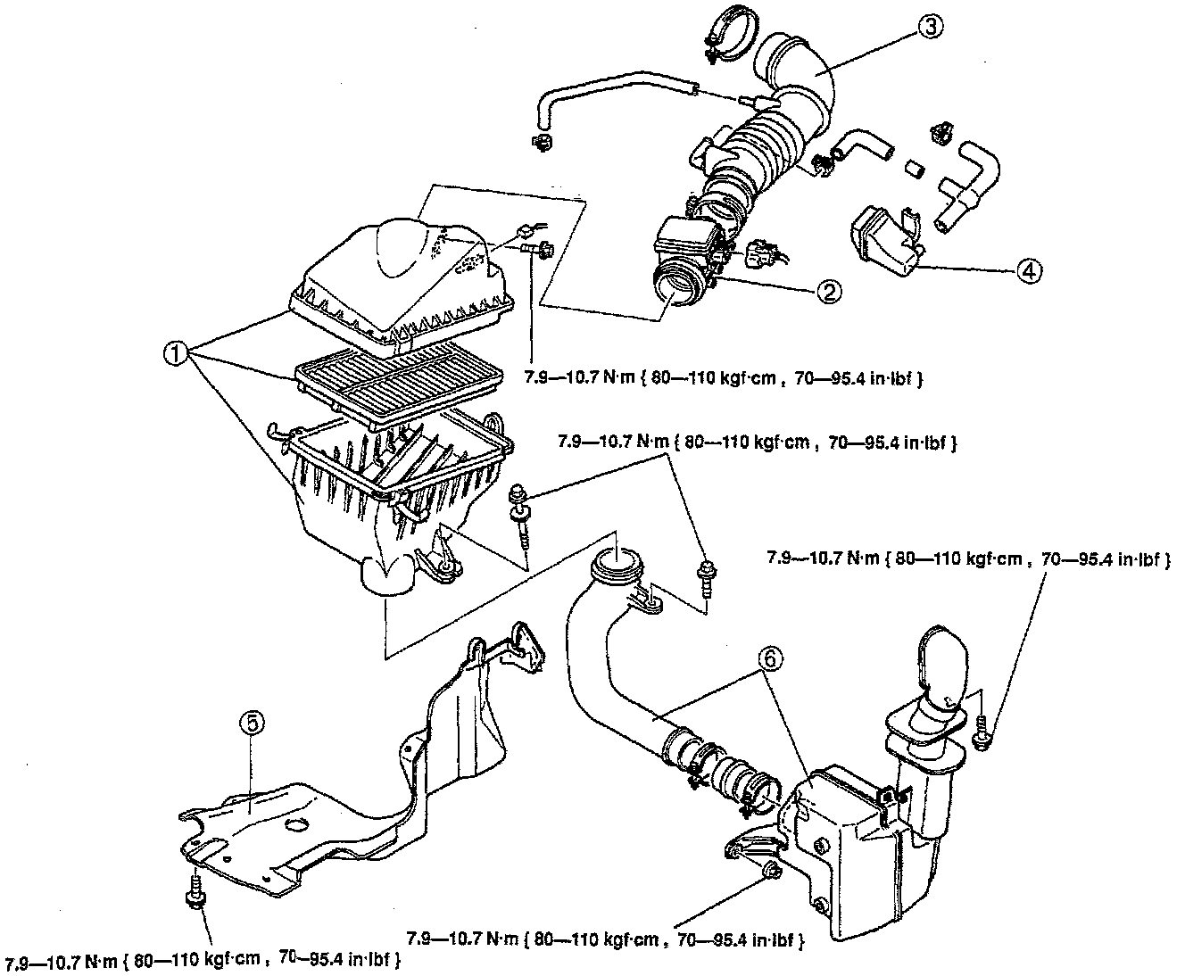
1. Air cleaner
2. Mass air flow sensor
3. Air intake hose
4. Resonance chamber
5. Splash shield
6. Fresh-air duct




Removal Note
Fresh-air duct
Before removing the fresh-air duct, remove the LH front mud guard mounting bolts, nut, and fasteners shown.

STEP 2




1. Throttle cable (ATX)
2. Accelerator cable
3. Throttle body
4. Dynamic chamber
5. Resonance chamber
6. Fuel distributor
7. EGR pipe
8. EGR solenoid valve stay
9. PRC solenoid valve stay
10. Intake manifold stay
11. Intake manifold
12. EGR valve
13. Air filter
14. BAC valve




Installation note
Dynamic chamber
Face the bead of the gasket toward the dynamic chamber as shown, and install the dynamic chamber.




Intake manifold
Face the bead of the gasket toward the intake manifold as shown, and install the intake manifold.