Curiosii for ever!: Car repair manuals for everyone.

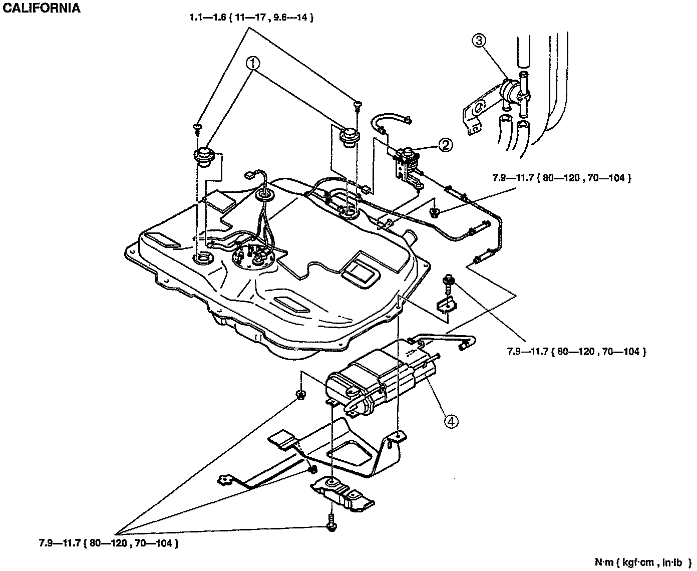
California Models

Removal/Installation
Fuel tank side
1. Remove the fuel tank.
2. Remove in the order shown in the figure.
3. Install in the reverse order of removal, referring to Installation note.




1. Rollover valve
2. Tank pressure control valve
3. Check valve (two-way)
4. Charcoal canister

Installation note
Rollover valve, check valve (two-way), tank pressure control valve, charcoal canister
^ Push the ends of the evaporative hoses onto respective fittings.

Specification: 15-20 mm (O.6O-O.78 in)
(except charcoal canister)
:25-30 mm (0.99-1.18 in)
(charcoal canister)





Check valve (two-way)
^ Push the ends of the evaporative hose onto the fitting.

Specification: 15-20 mm (0.60-0.78 in)

^ Install the check valve (two-way) in the correct direction as shown.

Engine compartment side
1. Disconnect the negative battery cable.
2. Remove the components shown.
3. Install in the reverse order of removal.




1. Charcoal canister/Catch tank (California only)
2. PCV valve
3. Purge solenoid valve
4. EGR valve
5. EGR solenoid valve
6. EGR boost sensor solenoid valve