Curiosii for ever!: Car repair manuals for everyone.

Engine Control Module: Service and Repair


Removal/Installation
1. Disconnect the negative battery cable.
2. Remove the rear console box, center panel and under cover.
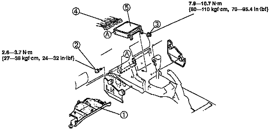
3. Remove in the order shown in the figure, referring to Removal note.
4. Install in the reverse order of removal, referring to Installation note.




1. Cover
2. ECM bracket screw
3. ECM bracket nut
4. Connector
5. ECM




Removal note
Connector
1. Remove the rear heater duct fasteners.
2. Separate the rear heater duct to both sides.

Note: Separating the duct may cause deformation to it.
However, this will not affect the performance of the duct.

3. Disconnect the ECM connector.

Installation note
Connector
1. Connect the ECM connection
2. Assemble the rear heater duct.
3. Verify that the rear heater duct is correctly joined, and install the rear heater duct fasteners.