Curiosii for ever!
: Car repair manuals for everyone.
Home
>>
Mazda
>>
1995
>>
Millenia V6-2255cc 2.3L DOHC
>>
Repair and Diagnosis
>>
Diagrams
>>
Exploded Views
>>
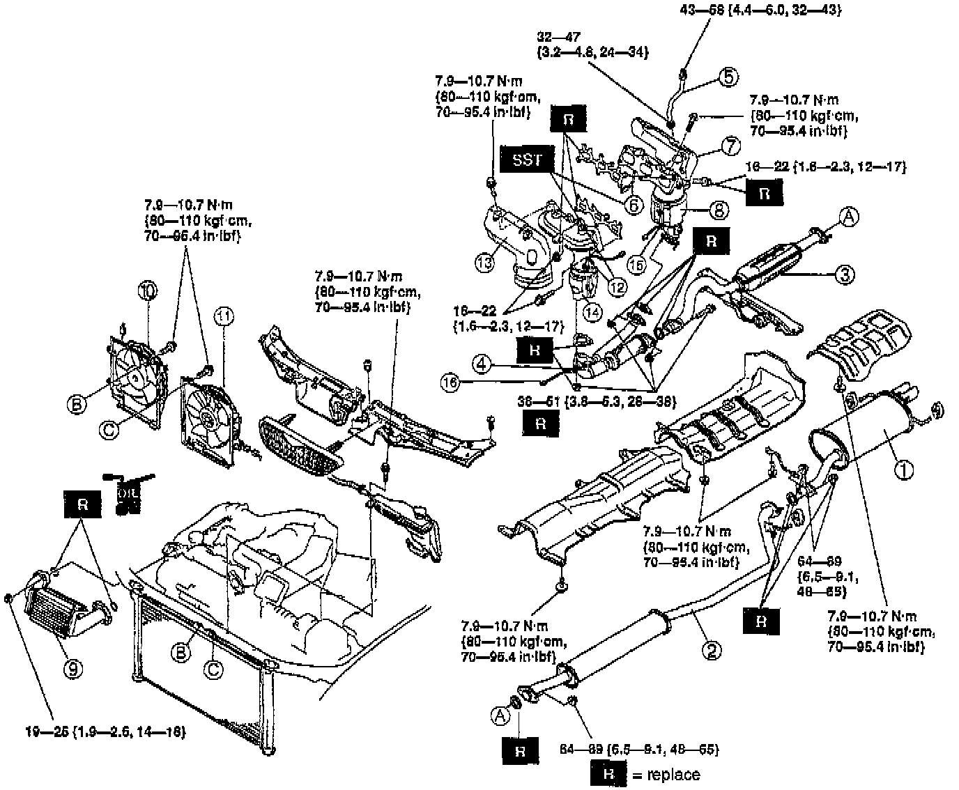
Exhaust System
Exhaust System
[R]=Expendable Parts: