Curiosii for ever!: Car repair manuals for everyone.

EC-AT Control System

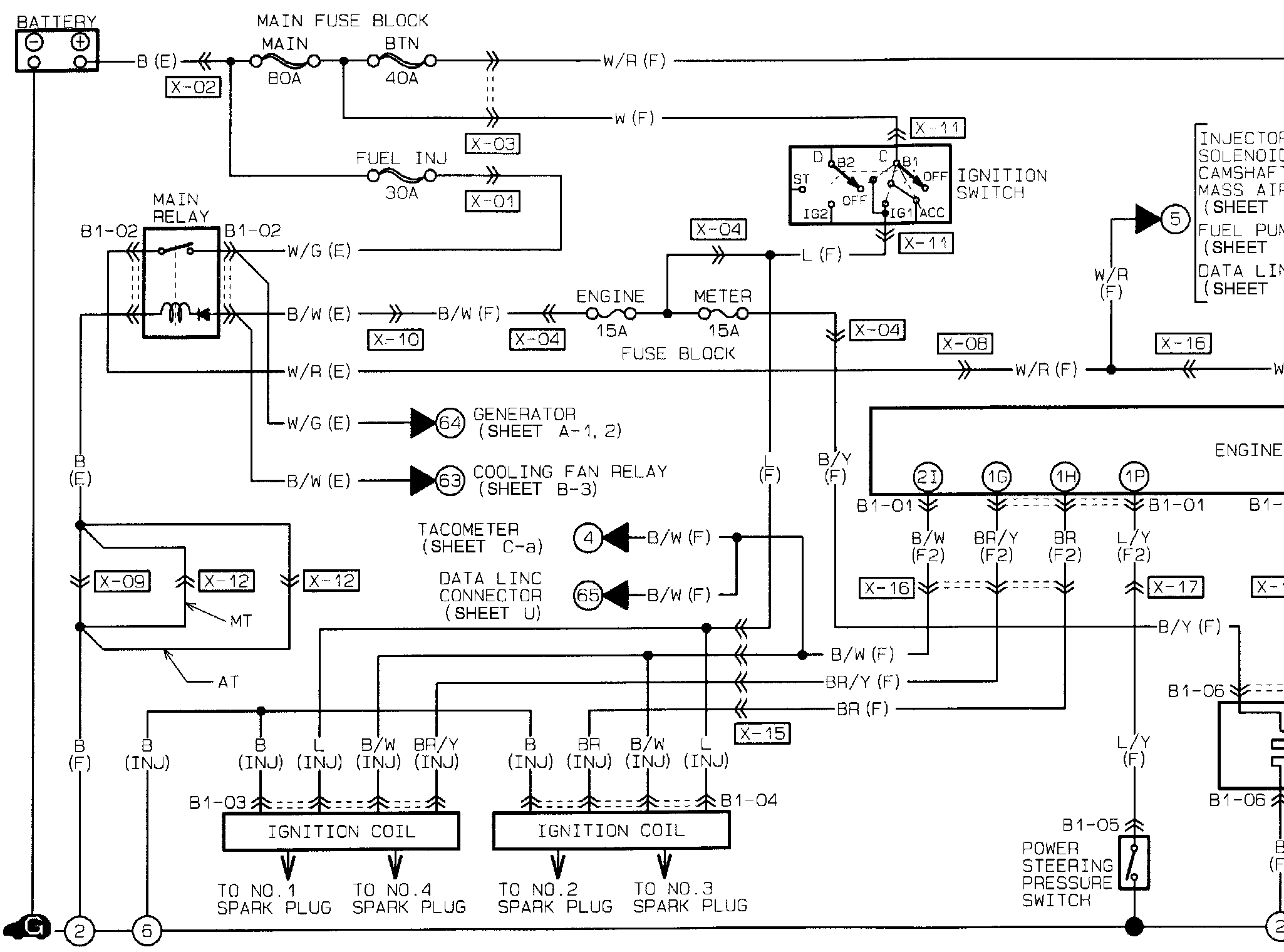
&�DFB-1A: Ignition System, Engine Control System:






B1-01 Engine Control Module (ECM) (F2):





B1-02 Main Relay (E):





B1-03 Ignition Coil (INJ):





B1-04 Ignition Coil (INJ):





B1-05 Power Steering Pressure Switch (F):





B1-06 Heated Oxygen Sensor (F):






�rConnector Locations:







B-1b

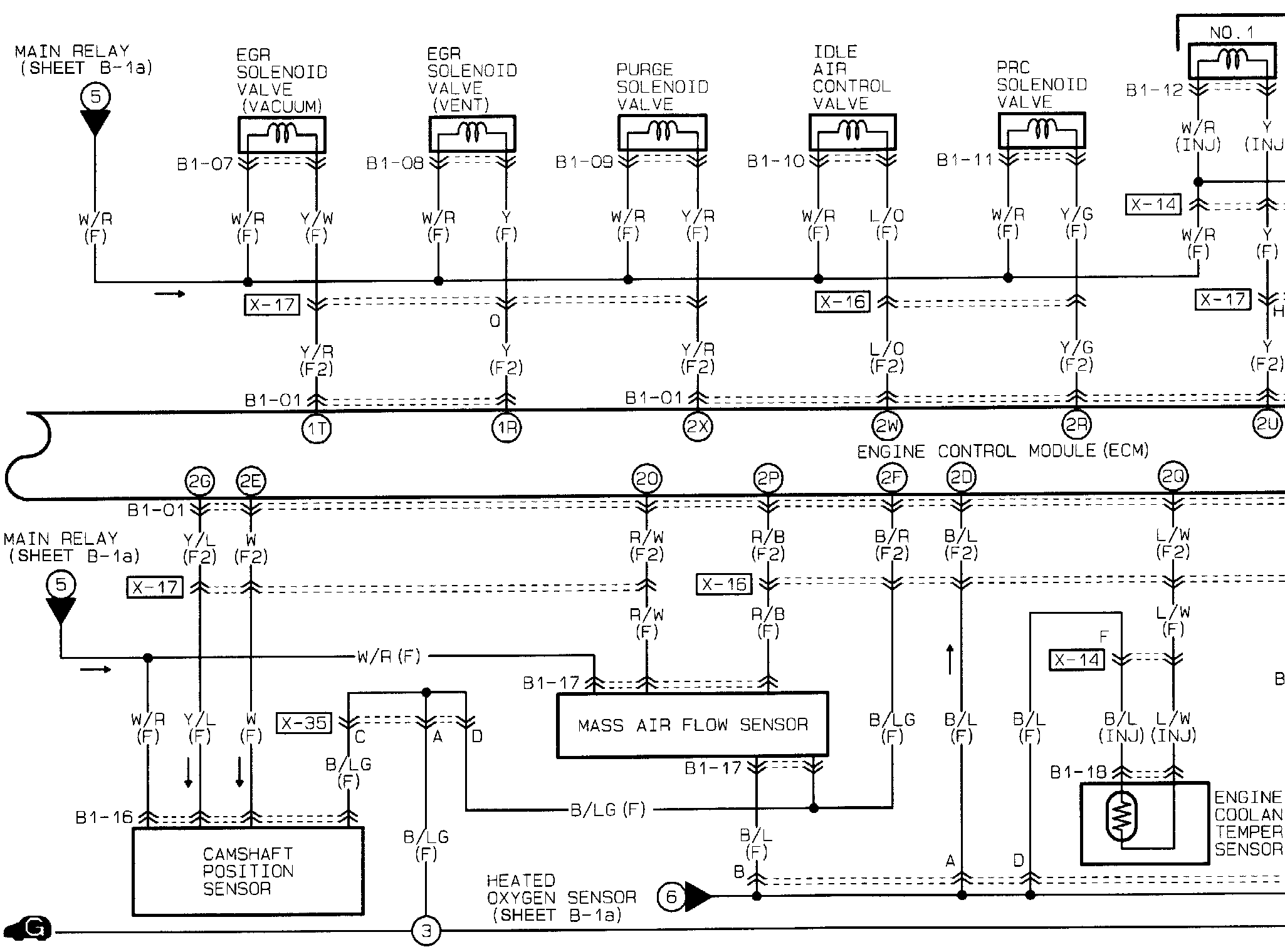
8�EFB-1b: Engine Control System, Part 1:






B1-01 Engine Control Module (ECM) (F2):





B1-07 EGR Solenoid Valve (Vacuum) (F):





B1-08 EGR Solenoid Valve (Vent) (F):





B1-09 Purge Solenoid Valve (F):





B1-10 Idle Air Control Valve (F):





B1-11 PRC Solenoid Valve (F):





B1-12 Fuel Injector No. 1 (INJ):





B1-13 Fuel Injector No. 2 (INJ):





B1-14 Fuel Injector No. 3 (INJ):





B1-15 Fuel Injector No. 4 (INJ):





B1-16 Camshaft Position Sensor (F):





B1-17 Mass Air Flow Sensor (F):





B1-18 Engine Coolant Temperature Sensor (INJ):





B1-19 EGR Valve Position Sensor (F):





B1-20 Throttle Position Sensor (F):






i�Connector Locations:






B-1c

��EFB-1C: Engine Control System, Part 2:






B1-01 Engine Control Module (ECM) (F2):





B1-21 Clutch Switch (F):





B1-22 Neutral Switch (E):






D�Connector Locations: