Curiosii for ever!
: Car repair manuals for everyone.
Home
>>
Mazda
>>
1995
>>
MX-5 Miata L4-1.8L DOHC
>>
Repair and Diagnosis
>>
Powertrain Management
>>
Diagrams
>>
Electrical Diagrams
>>
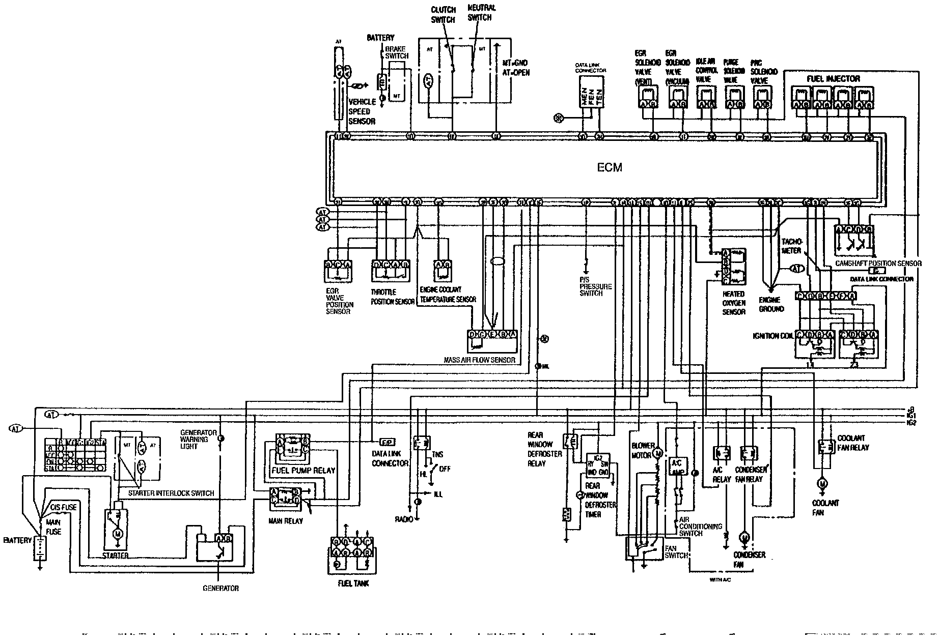
Control System
Control System