Curiosii for ever!
: Car repair manuals for everyone.
Home
>>
Mazda
>>
1995
>>
MX-5 Miata L4-1.8L DOHC
>>
Repair and Diagnosis
>>
Powertrain Management
>>
Description and Operation
>>
Sub-System Description
>>
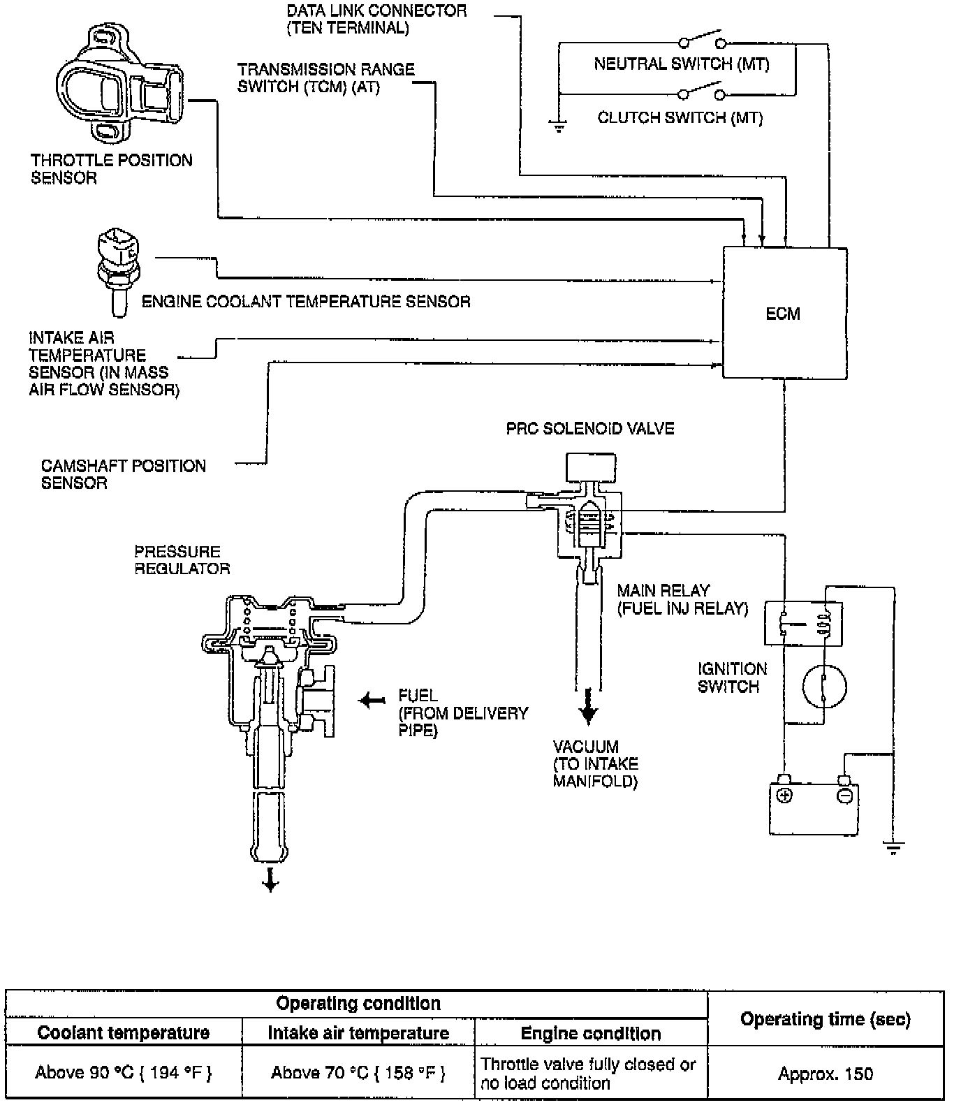
Pressure Regulator Control System
Pressure Regulator Control System
To prevent percolation of the fuel during hot restart idle, vacuum to the pressure regulator is momentarily cut, and the fuel injection pressure is increased to slightly more than
284 kPa (41.2 psi).