Curiosii for ever!: Car repair manuals for everyone.

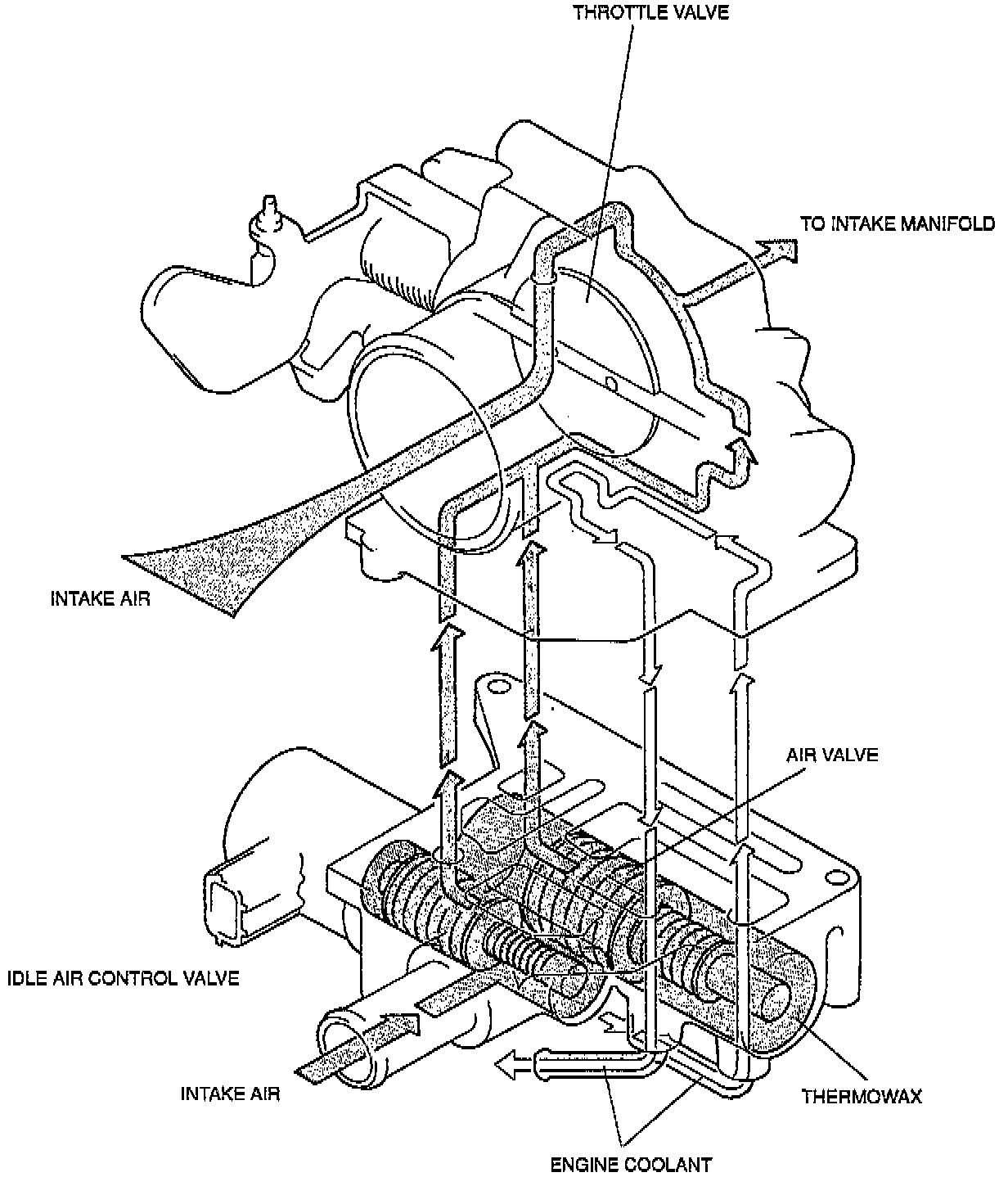
Idle Air Control System




To improve idle smoothness, the IAC system controls the intake air amount by regulating amount of the bypass air that passes through the throttle valve. This system consists of the air valve that functions only when the engine is cold, the idle air control valve that works throughout the entire engine speed range, and the control system.