Curiosii for ever!
: Car repair manuals for everyone.
Home
>>
Mazda
>>
1995
>>
MX-3 L4-1598cc 1.6L DOHC
>>
Repair and Diagnosis
>>
Powertrain Management
>>
Diagrams
>>
Electrical Diagrams
>>
Control System
Control System
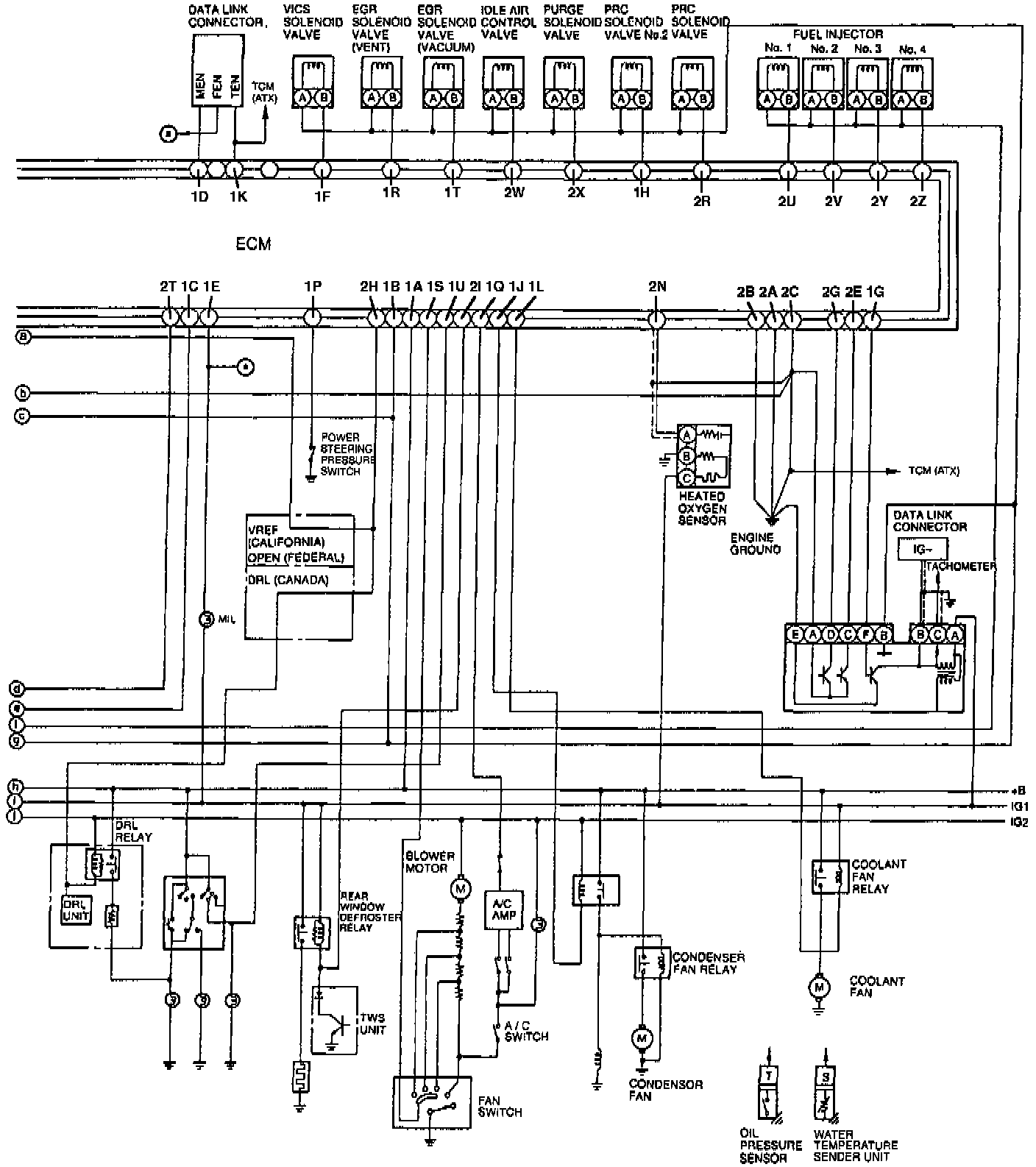
View: Wiring Diagram (Part 2 Of 2):