Curiosii for ever!: Car repair manuals for everyone.

Coolant Fan Control System


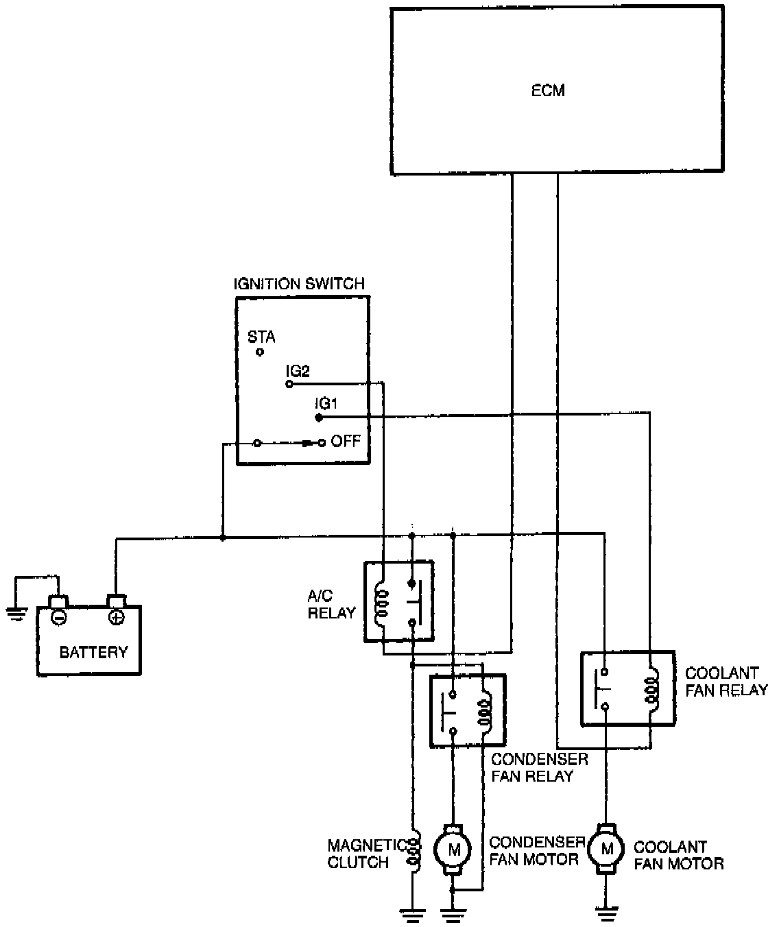
View: System Relational Diagram:





PURPOSE
The engine control module (ECM) controls the (radiator) coolant fan and the (A/C) condenser fan to provide more efficient fan control. This improves the performance reliability and stability during idling of an engine.


View: System Operation Chart:





OPERATION
Coolant Fan
The coolant fan system is OK if it starts to operate with the data link connector TEN terminal grounded and the accelerator pedal is depressed (Ignition switch ON).

Condenser Fan
The condenser fan operates when A/C is ON and stops operating when A/C cut-off control is executed.


CONSTRUCTION
The coolant fan is a one speed design type.