Curiosii for ever!: Car repair manuals for everyone.

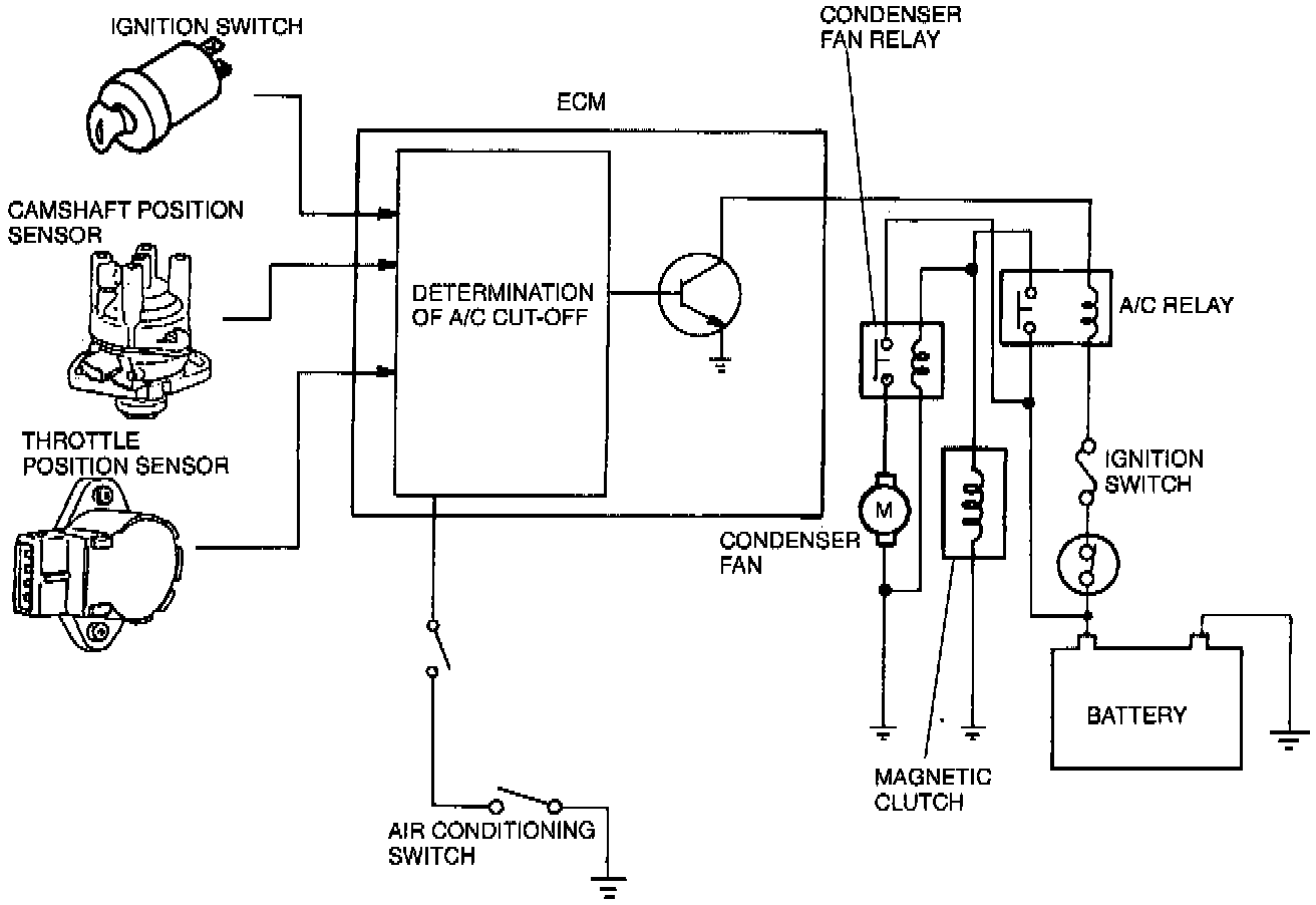
A/C Cut-Off Control System


View: System Relational Diagram:





PURPOSE
An A/C cut-off system is used to improve idle smoothness after just starting the engine and to improve acceleration performance.

OPERATION
After engine has been started
The A/C is cut-off for 4 Sec. just after the engine is started.

Acceleration
The A/C is cut-off upon wide-open-throttle acceleration for approx. 10 Sec.