Curiosii for ever!: Car repair manuals for everyone.

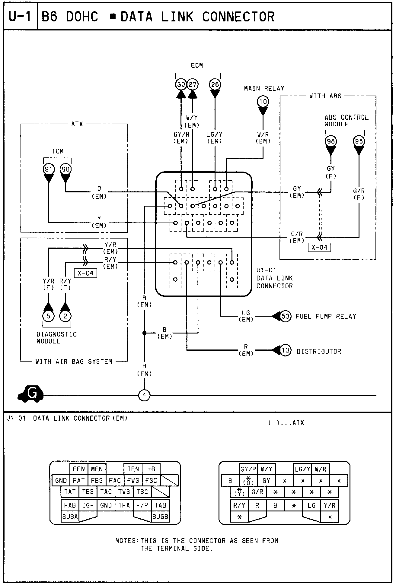
Data Link Connector: Description and Operation

PURPOSE
The data link connector (DLC) provides a means of interfacing with several vehicle systems for trouble shooting purposes and/or facilitating certain system adjustments.


View: Special Service Tools:





OPERATION
The DLC facilitates various functions through a combination of terminal connections and/or the use of special service tools (SST).

View: Data Link Connector:





CONSTRUCTION
The DLC is a concentrated group of 21 pin terminals that stem from various systems.